Автоматизация газораспределительной станции стерлитамакского линейного производственного управления магистрального газопровода. дипломная (вкр). информатика, вт, телекоммуникации. 2022-03-30
Федеральное
государственное бюджетное образовательное учреждение
высшего
профессионального образования
«Уфимский
государственный нефтяной технический университет»
Кафедра
автоматизации технологических процессов и производств
Дипломный
проект
Автоматизация
газораспределительной станции
Стерлитамакского
линейного производственного управления магистрального газопровода
Студент гр. АГ
07-01 А.Г. Аскарова
Руководитель
канд. техн. наук,
доц. С.В. Светлакова
Консультанты:
канд. техн. наук,
доц. С.В. Светлакова
канд. техн. наук,
доц. А.А. Гилязов
Уфа
Реферат
Дипломный проект 109 с., 26 рисунков, 26 таблиц,
19 использованных источников, 1 приложение.
ГАЗОРАСПРЕДЕЛИТЕЛЬНАЯ СТАНЦИЯ, ДАТЧИК
ИЗБЫТОЧНОГО ДАВЛЕНИЯ, МЕТОДЫ ПРЕОБРАЗОВАНИЯ ДАВЛЕНИЯ, «МЕТРАН-100-Вн-ДИ»,
АНАЛИЗ ДАТЧИКОВ ДАВЛЕНИЯ
Обьектом исследования является автоматизация
газораспределительной станции Cтерлитамакского линейного производственного
управления магистрального газопровода «Энергия – 1».
В процессе исследования выполнен анализ существующего
уровня автоматизации ГРС, и обоснована необходимость замены датчиков
избыточного давления.
Целью работы является модернизация системы
автоматизации газораспределительной станции «Энергия-1».
В результате исследования рекомендовано к
использованию на газораспределительной станции для регулирования и измерения
датчик избыточного давления «EJX430A» фирмы «Yokogawa». Cоставлен алгоритм
программы логического управления перехода ГРС на байпасный режим.
Технико-экономические характеристики
подтверждают целесообразность внедрения современного датчика давления.
Внедрение отсутствует.
Эффективность проекта заключается в высокой
эффективности от предлагаемой замены, так как внедряемые приборы гораздо лучше
по метрологическим характеристикам.
Содержание
Определения,
обозначения, сокращения
Введение
.
Технологическая схема ГРС и ее характеристики
.1
Назначение и состав ГРС
.2
Описание технологической схемы
.3
Режимы работы и режимные параметры автоматизированной ГРС «Энергия-1»
.4
Узел переключения
.5
Узел очистки газа
.6
Узел редуцирования газа
.7
Узел подогрева газа
.8
Узел одоризации газа
.9
Узел учета газа
.
Патентная проработка
.1
Выбор и обоснование предмета поиска
.2
Регламент поиска
.3
Результаты поиска
.4
Анализ результатов поиска
.
Автоматизация ГРС «Энергия-1»
.1
Объем автоматизации
.2
Информационно-измерительный комплекс «Магистраль-2
.3
Методы преобразования давления
.
Модернизация системы автоматизации ГРС
.1
Формулировка задачи и анализ проблемы
.2
Обоснование выбора датчика
.3
Выбор датчика
.4
Алгоритм перехода ГРС на байпасный режим
.
Охрана труда и техника безопасности
.1
Анализ потенциальных опасностей и производственных вредностей на ГРС
.2
Мероприятия по обеспечению безопасных и безвредных условий труда на ГРС
.3
Расчет молниезащиты ГРС
.
Оценка экономической эффективности модернизации системы автоматизации ГРС
«Энергия-1»
.1
Критерии оценки экономической эффективности
.2
Обоснование коммерческой эффективности проекта
Заключение
Список
использованных источников
Определения, обозначения и сокращения
ГРС
– газораспределительная станция
ЛПУ
– линейное производственное управление
МГ
– магистральный газопровод
АРМ
– автоматизированное рабочее место
САУ
– система автоматизированного управления
РД
– регуляторы давления
БПГ
– блок подогрева газа
АСУ
ТП – автоматизированные системы управления технологическим процессом
КИП
– контрольно-измерительные приборы
ТСА
– технические средства автоматизации
SCADA
– Supervisory Control And Data Acquisition
ТР
– тензорезистор
КНС
– технология «кремний на сапфире»
КНК
– технология «кремний на кремнии»
АЦП
– аналого-цифровой преобразователь
ЦАП
– цифро-аналоговый преобразователь
ПАЗ
– противоаварийная защита
ЧДД
– чистый дисконтированный доход
ИД
– индекс доходности
ВНД
– внутренняя норма доходности
СО
– срок окупаемости
Введение
ГРС предназначены для снабжения газом от
магистральных и промысловых газопроводов населенных пунктов, предприятий и
других крупных потребителей. Подавать газ потребителю требуется в заданном
количестве и под определенным давлением, с необходимой степенью очистки,
подогрева и одоризации газа (при необходимости). Система управления должна быть
достаточно сложной, чтобы учесть все разнообразие статических и динамических
характеристик станции.
С помощью автоматического управления ГРС
обеспечивается наибольшая производительность с наименьшими затратами
энергетических ресурсов, снижение себестоимости и улучшение качества продукции,
уменьшается численность обслуживающего персонала, повышается надежность и
долговечность оборудования, улучшаются условия труда и техники безопасности.
Цель данного дипломного проекта – техническое
переоснащение, усовершенствование существующей системы автоматизации ГРС
«Энергия-1», внедрение современных средств автоматизации.
Задачами дипломного проекта являются:
изучение технологии подготовки газа для подачи
потребителю;
анализ системы автоматизации ГРС «Энергия-1»;
модернизация существующей системы автоматизации
ГРС;
составление алгоритма программы логического
управления автоматического перехода ГРС на байпасный режим.
При работе были использованы материалы
Стерлитамакского ЛПУ ООО «ГазпромтрансгазУфа» .
1. Технологическая схема ГРС и ее характеристики
.1 Назначение и состав ГРС
Базовым технологическим процессом предприятия
Стерлитамакское ЛПУ МГ ООО «ГазпромтрансгазУфа» является транспортировка газа
по югу Республики Башкортостан и подача его на ГРС, которые подают газ
потребителю.
Станция является сложным и ответственным
технологическим объектом повышенной опасности. К технологическому оборудованию
и средствам автоматизации ГРС предъявляются повышенные требования по надежности
и безопасности энергоснабжения потребителей газом, а также по промышленной
безопасности, как к взрывопожароопасным промышленным объектам.
ГРС предназначены для снабжения газом от магистральных
и промысловых газопроводов следующих потребителей:
объекты газонефтяных месторождений (на
собственные нужды);
объекты газокомпрессорных станций;
объекты малых и средних населенных пунктов;
электростанции;
промышленные, коммунально-бытовые предприятия и
населенные пункты.
ГРС обеспечивают:
очистку газа от механических примесей и
конденсата;
подогрев газа;
редуцирование заданного давления и постоянное
поддержание его с определенной точностью;
измерение расхода газа с многосуточной
регистрацией;
одоризацию газа пропорционально его расходу
перед подачей потребителю.
В состав ГРС входят:
узлы:
) переключения станции;
) очистки газа;
) предотвращения гидратообразования;
) редуцирования газа;
) подогрева газа;
) коммерческого измерения расхода газа;
) одоризации газа;
)автономного энергопитания;
системы:
) контроля и автоматики;
) связи и телемеханики;
) электроосвещения, молниезащиты, защиты от
статического электричества;
) электрохимзащиты;
) отопления и вентиляции;
) охранной сигнализации;
) контроля загазованности [1].
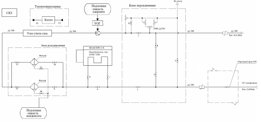
.2 Описание технологической схемы
Технологическая схема автоматизированной ГРС
«Энергия-1» представлена на рисунке 1.1.
Газ высокого давления, поступивший на вход ГРС,
проходит через шаровой кран № 1 на подогреватель газа «ПТПГ-15М», где
нагревается с целью предотвращения выпадения кристаллогидратов.
Нагрев осуществляется в змеевике радиационным
излучением горелки и теплом отходящих газов.
Подогретый газ высокого давления через краны №№
6,7 поступает далее в одну из ниток редуцирования в блоке редуцирования,
совмещенным с узлом очистки, где давление снижается до заданного значения и
происходит очистка технологического газа от механических частиц и жидкости.
Узел редуцирования состоит из двух редуцирующих ниток: рабочей и резервной.

Рисунок 1.1 – Технологическая схема АГРС
«Энергия-1»
В блоке редуцирования происходит редуцирование
топливного газа на питание горелок от Рвых до 0,1-0,2 Па.
Из блока редуцирования газ низкого давления
проходит на замерный узел.
После замерного узла газ поступает в узел
одоризации, а затем в блок переключений. Газ идет в блок переключения через
входной кран № 12 и через выходную нитку выбрасывается на свечу.
Подготовленный газ подается потребителю с Рвых =
0,6 МПа.
.3 Режимы работы и режимные параметры
автоматизированной ГРС «Энергия-1»
ГРС функционируют как автономно, так и в режиме
постоянного присутствия обслуживающего персонала. В любом случае, текущее
состояние станции контролируется ЛПУ МГ, на территории которого расположена
станция.
Для постоянного контроля и управления (в том
числе автоматического) состоянием всех локальных подсистем ГРС необходимо
наличие локальной системы автоматизированного управления ГРС, связанной с
системой диспетчерского контроля и управления всей сетью ГРС из ЛПУ МГ.
На автоматизированной ГРС возможны 3 режима
управления:
полностью автоматическое;
дистанционное управление исполнительными
механизмами с удаленного АРМ оператора;
дистанционное ручное и дистанционное
автоматическое управление исполнительными механизмами от панельного АРМ
оператора, встроенного в шкаф САУ.
Автоматические блочные ГРС «Энергия-1»
предназначены для питания отдельных потребителей природным, попутным, нефтяным,
предварительно очищенным от тяжелых углеводородов, и искусственным газом от
магистральных газопроводов с давлением (1,2-7,5 МПа) путем снижения давления до
заданного (0,3-1,2 МПа) и поддержания его. Станции «Энергия» эксплуатируются на
открытом воздухе в районах с умеренным климатом при температуре окружающего
воздуха от минус 40 °С до 50 °С с относительной влажностью 80% при 20 °С.
Номинальная пропускная способность станции
“Энергия-1” равна 10000 м3/ч при входном давлении Рвх=7,5 МПа и Рвых
= 0,3 МПа.
Максимальная пропускная способность станции
равна 40000 м3/ч газа при входном давлении Рвх=7,5 МПа и Рвых=1,2 МПа. В
таблице 1.1 представлены режимные параметры автоматизированной ГРС «Энергия-1»
[2].
Таблица 1.1 – Режимные параметры
автоматизированной ГРС «Энергия-1»
Показатели | Значения |
Пропускная | 10000-40000 |
Давление | |
Температура,°С: | |
Количество | Один |
Минимальный | 400 |
Тепловая | 235;350;980 |
Расход | 41 |
Давление | Атмосферное |
Температура | 70-95 |
Тип | Автоматический |
Габаритные | 5450/2200/2700 |
Масса, | 3800 |
.4 Узел переключений
Узел переключений предназначен для переключения
потока газа с одной нитки на другую нитку газопровода, для обеспечения
безотказной и бесперебойной работы ГРС в случаях ремонта или проведения огневых
и газоопасных работ. Обводная линия, соединяющая газопроводы входа и выхода ГРС
оснащается приборами измерения температуры и давления, а также отключающим
краном и краном-регулятором.
Узел переключения предназначен для защиты
системы газопроводов потребителя от возможного высокого давления газа. Также
для подачи газа потребителю, минуя ГРС, по байпасной линии с применением
ручного регулирования давления газа во время ремонтных и профилактических работ
станции.
В узле переключения ГРС следует предусматривать:
краны с пневмоприводом на газопроводах входа и
выхода;
предохранительные клапаны с переключающими
трехходовыми кранами на каждом выходном газопроводе (допускается заменять в
случае отсутствия трехходового крана двумя ручными с блокировкой, исключающей
одновременное отключение предохранительных клапанов) и свечой для сброса газа;
изолирующие устройства на газопроводах входа и
выхода для сохранения потенциала катодной защиты при раздельной защите внутриплощадочных
коммуникаций ГРС и внешних газопроводов;
свечу на входе ГРС для аварийного сброса газа из
технологических трубопроводов;
обводную линию, соединяющую газопроводы входа и
выхода ГРС, обеспечивающую кратковременную подачу газа потребителю, минуя ГРС.
Обводная линия ГРС предназначена для
кратковременной подачи газа на период ревизии, профилактики, замены и ремонта
оборудования. Обводная линия должна быть оснащена двумя кранами. Первый –
отключающий кран, который расположен по ходу газа и второй дросселирующий
кран-регулятор. В случае отсутствия крана-регулятора допускается использовать
задвижку с ручным приводом.
Блок переключения состоит из двух кранов (№1 на
входном и №2 выходном газопроводах), обводной линии и предохранительных
клапанов.
Через охранный кран газ (по входному
трубопроводу высокого давления с давлением 5,4 МПа) поступает на блок
переключения, который включает в себя входной и выходные трубопроводы с
запорной арматурой. В качестве запорной арматуры применяются шаровые краны с
рычажным или пневмогидроприводом с управлением по месту с помощью
электропневматического узла управления. Также предусмотрен свечной кран для
сброса газа в атмосферу.
Краны шаровые служат запорным устройством на
магистральных газопроводах, на пунктах сбора и подготовки газа, на
компрессорных станциях, на ГРС и могут эксплуатироваться в районах с умеренным
и холодным климатом.
Конструкция кранов предусматривает эксплуатацию
при следующей температуре окружающей среды:
в районах с умеренным климатом от минус 45 до
50 °С;
в районах с холодным климатом от минус 60 до
40 °С;
при этом относительная влажность окружающего
воздуха может быть до 98% при температуре плюс 30 °С.
Транспортируемая среда через кран – природный
газ, с условным давлением до 16,0 МПа и температурой от минус 45 до 80 °С.
Содержание механических примесей в газе – до 10 мг/нм3, размер частиц – до 1
мм, влага и конденсат – до 1200 мг/нм3. Использование кранов для регулировки
расхода газа запрещается.
При отсутствии давления или в случае, когда оно
недостаточно для перекрытия крана пневмогидроприводом, перекрытие
осуществляется ручным гидравлическим насосом. Положение ручки насоса
переключателя золотника должно соответствовать маркировке: «О» – открытие крана
насосом, «3» – закрытие насосом или «Д» – дистанционное управление, которое
указывается на крышке насоса.
Краны обеспечивают прохождение через них
очистных устройств. Конструкция кранов обеспечивает возможность принудительного
подвода уплотнительной смазки в зону уплотнения кольцевых седел и шпинделя в
случае потери герметичности. Система подвода уплотнительной смазки в кольцевые
седла кранов подземного исполнения имеет двойную блокировку обратными
клапанами: один клапан в фитинге, а второй на корпусе крана в бобышке. Фитинги
имеют единую конструкцию, обеспечивают быстросъемное подсоединение адаптера
набивочного устройства.
Кольцевые уплотнительные седла крана
обеспечивают герметичность при давлениях от 0,1 до 1,1 МПа.
Рвх и Рвых из узла переключения контролируется с
помощью датчиков давления. Для защиты низких сетей потребителя на выходном
трубопроводе устанавливаются по два пружинных предохранительных клапана, один
из которых является рабочим, другой резервным. Применяют клапаны типа «ПППК»
(пружинный полноподъемный предохранительный клапан). В процессе эксплуатации
клапаны следует опробовать на срабатывание один раз в месяц, а в зимнее время –
один раз в 10 дней, с записью в оперативном журнале. Клапаны этого типа
снабжены рычагом для принудительного открытия и контрольной продувки газопровода.
В зависимости от давления настройки предохранительные клапаны комплектуют
сменными пружинами.
Для возможности ревизии и настройки пружинных
предохранительных клапанов, не отключая потребителей, между трубопроводами и
клапанами устанавливается трехходовой кран типов «КТС». Трехходовой кран типа
«КТС» всегда открыт на один из предохранительных клапанов.
Настройка пружинный предохранительных клапанов
зависит от требований потребителей газа, но в основном эта величина не
превышает 12% от номинального значения выходного давления.
На рисунке 1.2 изображен узел переключения газа.

Рисунок 1.2 – Фотография узла переключения газа
В узле переключения имеется возможность для
продувки входного и выходного трубопроводов через свечной кран, трубопровод
которого вынесен за пределы площадки ГРС.
Узел переключения должен располагаться на
расстоянии не менее 10 м от зданий, сооружений или технологического
оборудования, установленного на открытой площадке.
1.5 Узел очистки газа
Узел очистки газа на ГРС позволяет предотвратить
попадание механических примесей и конденсата в оборудование, в технологические
трубопроводы, в приборы контроля и автоматики станции и потребителей газа.
Для очистки газа на ГРС применяют
пылевлагоулавливающие устройства различных конструкций, обеспечивающие
подготовку газа в соответствии с действующими нормативными документами по
эксплуатации. Главное требование к узлу очистки газа – автоматическое удаление
конденсата в сборные емкости, оттуда он по мере накопления вывозится с
территории ГРС.
Узел очистки газа должен обеспечивать такую
степень очистки газа, когда концентрация примеси твердых частиц размером 10 мкм
не должна превышать 0,3 мг/кг, а содержание влаги должно быть не больше
величин, соответствующих состоянию насыщения газа.
После блока переключения через входные краны газ
поступает на узел очистки газа, который совмещен с блоком редуцирования.
В узле очистки газа используют в основном
масляные пылеуловители, висциновые фильтры и мультициклонные сепараторы. Масляные
пылеуловители применяют на станциях с большой часовой производительностью.
На ГРС устанавливается подземная ёмкость для
сбора и удаления влаги и конденсата с системами автоматического контроля над
уровнем и количеством конденсата в емкостях и пылеуловителях. Давление на входе
и выходе каждого пылеуловителя контролируется с помощью датчиков давления.
Для очистки газа на ГРС должны применяться
пылевлагоулавливающие устройства, обеспечивающие подготовку газа для стабильной
работы оборудования ГРС и потребителя.
Фильтры 1 и 2, место расположения которых
представлено в разделе 3, предназначены для очистки газа от механических
примесей, а также отвода конденсата. Для сигнализации уровня в накопителе
фильтра устанавливаются датчики нижнего, верхнего и аварийного уровня. При
исполнении узлов с автоматическим сбросом отстоя в конструкции присутствует
кран с пневмоприводом и клапан-отсекатель, срабатывающий на границе жидкой и
газообразной фракций.
Узел очистки газа имеет в своем составе
фильтры-сепараторы или блок фильтров-сепараторов, предназначенные для очистки
газа от твердых частиц и капельной влаги. Степень очистки – 10 мкм,
эффективность – 99,99%. Продукты очистки из накопительной емкости
фильтров-сепараторов автоматически сбрасываются в сосуд сбора конденсата.
На ГРС рекомендуется предусматривать не менее
двух аппаратов очистки газа. Узел очистки газа должен быть оснащен устройствами
удаления конденсата и дренажа в сборные резервуары.
Вместимость резервуара должна определяться из
условия слива примесей в течение 10 сут.
Резервуары должны быть рассчитаны на максимально
возможное давление и оборудованы сигнализатором уровня жидкости.
С целью исключения выбросов паров конденсата и
одоранта в атмосферу необходимо применять меры по их утилизации.
Технологический процесс сбора продуктов очистки
газа из резервуаров должен исключать возможность пролива и попадания жидкости
на грунт.
На рисунке 1.3 изображен узел очистки газа.

Рисунок 1.3 – Фотография узла очистки газа
.6 Узел редуцирования газа
Узел редуцирования предназначен для снижения
высокого входного давления газа Рвх = 7,5 МПа до низкого выходного давления
Рвых = 0,3 МПа и автоматического поддержания заданного давления на выходе из
узла редуцирования, а также для защиты газопровода потребителя от недопустимого
повышения давления.
Так как узел редуцирования совмещен с узлом
очистки, здесь происходит осушка газа, удаление механических примесей и отвода
конденсата.
Узел редуцирования газа является на ГРС
выполняет одну из самых важных функций. Здесь газ высокого давления понижается
до заданного значения и автоматически поддерживается на определнном уровне.
Узел редуцирования состоит из газо-регулирующего оборудования, запорной
арматуры, линий редуцирования, системы защитной автоматики и аварийной
сигнализации. В схемах узла редуцирования применяют:
стальную регулирующую арматуру на условное
давление 6,3 МПа;
клапаны регулирующие непрямого действия;
РД прямого действия.
Для регулирования давления применяются РД
прямого действия или регуляторы с аналоговым управлением. Регуляторы прямого
действия более быстродействующие и надежные, так как исключается промежуточное
звено – каналы связи и устройство управления, к тому же они не требуют
дополнительной энергии, так как работают за счет энергии газового потока.
Отечественные производители выпускают регуляторы, которые обеспечивают
регулирование давления с точностью до 2,5%.
На ГРС большой производительности применяют чаще
регулирующие клапаны, так как они позволяют быстро изменить регулируемое
давление на выходе клапана и имеют большой выбор типоразмеров.
В качестве командных приборов к клапанам
непрямого действия применяют пропорциональные регуляторы типа РД. Регулирующие
клапаны выпускают двух видов: нормально открытые (давление подводится на верх
мембраны) и нормально закрытые (под мембрану).
Все регулирующие клапаны состоят из
регулирующего органа (клапана) и мембранного привода, соединенного через шток с
золотником клапана. Задание выходного давления газа во всех типах регулирующих
клапанов осуществляется нагружением штока клапана пружиной.
Блок редуцирования предназначен для понижения
входного давления с 5,4 МПа до 0,6 МПа и подачи газа по трубопроводу низкого
давления в линейные сети потребителей газа.
В узле редуцирования ГРС количество редуцирующих
линий следует принимать не менее двух (одна резервная). Допускается применять
три линии редуцирования равной производительности (одна резервная).
В узле редуцирования (рисунок 1.4) при
необходимости допускается предусматривать линию малых расходов для работы в
начальный период эксплуатации ГРС.

Рисунок 1.4 – Фотография узла редуцирования
Редуцирующие линии в пределах одного узла
редуцирования должны оснащаться однотипной запорно-регулирующей арматурой.
Линии редуцирования газа должны быть оборудованы сбросными свечами.
Редуцирующие линии должны иметь автоматическую
защиту от отклонения от рабочих параметров и автоматическое включение резерва.
.7 Узел подогрева газа
Узел подогрева газа или БПГ предназначен для
непрямого подогрева газа до заданной температуры, используется в составе ГРС
для исключения гидратообразования при редуцировании газа и поддержания
температуры газа на выходе ГРС на заданном значении, а также для обеспечения
теплоносителем систем отопления помещений или других возможных
теплопотребителей.
БПГ предназначены для эксплуатации в районах с
умеренным и умеренно-холодным климатом,а также в районах с холодным климатом.
Типоразмер узла подогрева в составе ГРС следует
определять из условий обеспечения требуемой температуры газа на выходе ГРС,
нормальной работы оборудования станции и исключения его оледенения. В случае
использования БПГ в контуре отопления, необходимо учитывать дополнительную
тепловую нагрузку.
Нагрев газа осуществляется в кожухо-трубчатом
теплообменнике посредством промежуточного теплоносителя, нагреваемого в
водогрейном котле. Теплоноситель, в зависимости от тепловой мощности узла,
нагревается до 95 °С и подается на кожухо-трубчатый теплообменник, где
осуществляется передача тепла нагреваемому телу (газу), затем охлаждённый
теплоноситель из обратного теплопровода с температурой до 95 °С подается на
вход водогрейного котла. При наличии дополнительного контура отопления отбор
теплоносителя осуществляется из обратного теплопровода.
Конструктивно узел подогрева газа состоит блока
котельной и блока теплообменных аппаратов.
Оборудование этих блоков размещается в боксе,
герметично поделённом на два отсека: отсек котельной (категория Д) и отсек
теплообменных аппаратов (категория В-1а). Бокс выполнен из панелей, имеет
съёмную крышу, позволяющую быстро произвести монтаж и ремонт тяжёлого и
крупногабаритного оборудования. Устойчивость блок-бокса к сейсмическим
нагрузкам до 9 баллов. Компактность узла и полная заводская готовность позволяют
в кратчайшие сроки произвести транспортировку, монтаж и пусконаладочные работы.
Необходимая тепловая мощность обеспечивается
двумя водогрейными котлами в отсеке котельной для повышения степени надежности
узла. В случае отказа одного котла, второй может обеспечить работоспособность
станции в аварийном режиме.
Циркуляционные насосы установлены на входе
водогрейных котлов и работают под управлением прибора контроля и защиты насосов
в режиме распределения времени работы. При выходе одного насоса из строя
исправный насос обеспечивает работоспособность на 100%. Для защиты системы от
превышения внутреннего гидравлического давления, котлы оборудованы
предохранительными сбросными устройствами (сброс осуществляется в
расширительный бак).
Электроснабжение БПГ осуществляется от
промышленной сети 220 В/50 Гц, или 380 В/50 Гц. Питание заводится через шкаф
вводной, оборудованный автоматами защитного отключения. Вводной шкаф
устанавливается в отсеке котельной.
.8 Узел одоризации газа
Условием безопасной эксплуатации магистральных
газопроводов, сосудов, аппаратов, оборудования и приборов является
своевременное обнаружение утечек газа. Присутствие газа в помещениях может быть
обнаружено с помощью автоматических приборов и систем. Однако наиболее простым
способом обнаружения газа в воздухе является определение его по запаху. С этой
целью в нашей стране и ряде других стран газу придают особый неприятный запах
(одорируют), вводя этил-меркаптан в количестве 16 г на 1000 м3. Газ одорируют
на головных сооружениях или на промысловой ГРС.
Таким образом, после узла учёта газ попадает на
узел переключений где происходит его одоризация и далее по трубопроводу он
переходит в низкие сети потребителя.
Для поддержания заданной степени одоризации
газа, одорант вводится на выходе ГРС при помощи различных устройств. На
автоматизированной ГРС наиболее часто применяют универсальный одоризатор газа
типа «УОГ-1». Ниже приведена таблица 1.4 с техническими характеристиками
одоризатора газа УОГ-1.
Таблица 1.4 – Технические показатели одоризатора
«УОГ-1»
Технические | Значение |
Рабочее | 0,2 |
Перепад | 0,06 |
Максимальный | 1 |
Погрешность | ±10 |
Температура | – |
Габаритные | 465х150х800 |
Масса | 63 |
К одорантам предъявляют следующие требования:
одоранты при концентрациях, применяемых для
одоризации, должны быть физиологически безвредными;
в смеси с газом одоранты не должны разлагаться,
а также реагировать с применяемыми на газопроводе материалами;
продукты сгорания одорантов должны быть совершенно
безвредными и коррозионно-неактивными;
пары одорантов должны быть мало растворимы в
воде или конденсате;
одоранты должны быть летучими (для обеспечения
испарения их в потоке с высоким давлением и низкой температурой).
Этилмеркаптан (C2H5SH) в значительной степени
удовлетворяет этим требованиям. Количество одоранта, необходимое для введения в
поток газа, определяется порогом его концентрации, при которой в помещении
ощущается резкий запах. Для природного газа сигнальная норма принята равной 1%
по объему. Для поддержания заданной степени одоризации газа одорант вводится в
поток при помощи специальных устройств, называемых одоризационными установками,
которые разделяются по способу введения одоранта на установки с
непосредственным введением в газ жидкого одоранта под давлением или самотеком и
установки по смещению паров одоранта с потоком газа. К первому типу относятся
капельные одоризаторы, в которых одорант вводится в поток газа в виде капель
или струи. Количество вводимого одоранта регулируют вручную игольчатым
вентилем. Контроль за работой одоризатора осуществляется через смотровое
стекло.
Газ, подаваемый промышленным предприятиям и
электростанциям, по согласованию с потребителем может не одорироваться.
В случае наличия централизованного узла одоризации
газа, расположенного на магистральном газопроводе, допускается не
предусматривать узел одоризации газа на ГРС.
Узел одоризации устанавливается на выходе
станции после обводной линии. Подача одоранта допускается как с автоматической,
так и с ручной регулировкой.
На ГРС необходимо предусматривать емкости для
хранения одоранта. Объем емкостей должен быть таким, чтобы заправка их
производилась не чаще 1 раза в 2 мес. Заправка емкостей и хранение одоранта, а
также одоризация газа должна осуществляться закрытым способом без выпуска паров
одоранта в атмосферу или их нейтрализацией.
.9 Узел учета газа
Узел учета газа предназначен для коммерческого
учета газа (измерения его расхода). Число линий измерения зависит в основном от
числа выходных газопроводов из ГРС.
После узла редуцирования газ по трубопроводу
поступает на узел учета газа. Коммерческий учет расхода газа по каждому
потребителю и учет газа на собственные нужды ведется на узле учета газа. Узел
обеспечивает измерение расхода газа, коррекцию значения расхода по температуре,
давлению и коэффициенту сжимаемости, анализ качества газа, а также регистрацию
данных.
Измерение газа, проходящего через ГРС, основано
на методе измерения переменного перепада давления. Этот метод характеризуется
тем, что при установке сужающего устройства в газовом потоке перепад давления
на нем зависит от количества проходящего газа. Сужающее устройство может быть
установлено на высокой или на низкой стороне ГРС.
Измерение перепада давления производится
вычислителем, тип которого выбирается одновременно с расчетом сужающего
устройства. Сужающее устройство соединяется с датчиками вычислителя
соединительными линиями.
В настоящее время большую часть парка
расходомеров на узлах учета газа ОАО «Газпром» составляют
измерительно-вычислительные комплексы, измеряющие расход по перепаду давления
на диафрагме. На некоторых ГРС до сих пор используются механические самописцы.
Но, даже несмотря на высокую точность вычислительных комплексов на базе
микропроцессорной техники (погрешность не более 0,5%), общая погрешность
расходомерного узла за счет погрешности диафрагмы составляет, как минимум,
2,5%.
Снизить погрешность измерения расхода можно
путем замены диафрагм на другие виды датчиков расхода – турбинные, ротационные
или вихревые. Такие комплексы обеспечивают общую погрешность учета газа не
более 1,5-2,5% и не требуют частой замены, как диафрагмы.
При квалификации учета газа на ГРС как
коммерческого, требуется определять не только количество, но и качество
учитываемого газа в соответствии с требованиями для хозрасчетных
газоизмерительных станций. Поточные аналитические приборы позволяют получать
информацию о качестве газа с минимальной дискретностью.
Влажность и плотность газа определяются,
соответственно, поточными влагомерами (измерители температуры точки росы) и
плотномерами. Калорийность газа измеряется поточным калориметром. Применение
поточных хроматографов позволяет получать полную информацию по составу газа,
вычислять плотность и калорийность. Содержания серы и сероводорода определяется
лабораторными серомерами.
При необходимости регулирования расхода газа на
выходе ГРС применяются регуляторы расхода с аналоговым управлением. Для
реализации пропорционально интегрально дифференциального регулирования расхода
газа вместо корректоров применяют так называемые «компьютеры расхода», которые
помимо регулирования и коррекции расхода газа, могут получать информацию от
поточного аналитического оборудования и передавать информацию в виде отчетов в
диспетчерскую [3].
2. Патентная проработка
.1 Выбор и обоснование предмета поиска
В данном дипломном проекте рассматриваются
методы преобразования давления, выбор и внедрение датчика избыточного давления.
Одним из самых важных измеряемых параметров на
ГРС является давление. На данный момент на ГРС «Энергия-1» установлены датчики
избыточного давления Метран-100-Вн-ДИ, рассматривается возможность замены этого
датчика на современный датчик избыточного давления «EJX430A», принцип действия
которого основан на резонансном методе. Поэтому при проведении патентного поиска
особое внимание было уделено поиску и анализу датчиков избыточного давления с
резонансным методом преобразования давления.
.2 Регламент поиска
Патентный поиск проводился с использованием
фондов УГНТУ по источникам патентной документации Российской Федерации и по
зарубежным фондам.
Глубина поиска пять лет (2007-2022 гг.). Поиск
проводился по индексам международной патентной классификации (МПК):
G01L 9/16 – Измерение постоянного или медленно
меняющегося давления газообразных и жидких веществ или сыпучих материалов с
помощью электрических или магнитных элементов, чувствительных к механическому
давлению путем определения изменений магнитных свойств тел под нагрузкой;
G01L 13/06 – Устройства и приборы для измерения
разности двух и более величин давления жидкости с помощью электрических или
магнитных элементов,
чувствительных к механическому давлению.
При этом использовались следующие источники
патентной информации:
полные описания к патентам Российской Федерации;
– документы справочно-поискового аппарата;
официальный бюллетень Российского Агентства по
патентам и товарным знакам «Изобретения. Полезные модели» (2007-2022 гг.).
.3 Результаты поиска
Результаты патентного поиска приведены в таблице
2.1.
Таблица 2.1 – Результаты патентного поиска
Страна | Индекс | Номера | Выявленные |
Россия | G | 1775628 | Аналогов |
USA | 6082199 | № |
.4 Анализ результатов поиска
Рассмотрим аналоги, приведенные в таблице 2.1.
Аналогов по патентам G01L 9/16 и G01L 13/06 не
выявлено.
Фирма «Yokogawa» (Япония) является разработчиком
DRHarp технологии (резонансный преобразователь давления с кремниевым
резонатором) и поэтому на сегодняшний день аналогов в нашей стране нет.
Патент на чувствительный элемент датчика 3051S:
United States patent: 6082199. В основу нового чувствительного элемента DPHarp
лег известный «частотно-резонансный» принцип, который наглядно можно
продемонстрировать на примере струны: натяжение струны контролируется ее
собственной частотой колебаний (тоном). При натяжении струны ее тон (частота
собственных колебаний) становится выше, при ослаблении – ниже.
В качестве упругого элемента используется
кремниевая диафрагма, на которой расположены два чувствительных элемента.
Чувствительные элементы – резонаторы расположены так, что их деформации
отличаются по знаку при приложении разности давлений к чувствительному
элементу.
Изменение собственной частоты резонаторов прямо
пропорционально прилагаемому давлению. Возбуждение колебаний и передача частоты
механических колебаний в электрический частотный сигнал происходит путем
помещения двухконтурных резонаторов в постоянное магнитное поле и пропускание
переменного электрического тока через тело резонатора в контуре возбуждения.
Благодаря эффекту электромагнитной индукции, в
измерительном контуре возникает переменная ЭДС с частотой, равной частоте
колебаний резонатора измерительного контура. Обратная связь контура возбуждения
по измерительному контуру вместе с эффектом сдвига частоты вынужденных
колебаний в сторону резонансной частоты обеспечивают постоянное соответствие
частоты электрических колебаний резонансной (собственной) частоте механических
колебаний тела резонатора. Собственная частота такого ненагруженного резонатора
составляет обычно около 90 кГц.
На сегодняшний день чувствительные элементы
DPHarp единственная серьезная альтернатива емкостному и пьезорезистивному
методам измерения. Большой запас по точности и стабильности чувствительного
элемента DPHarp подтвердило целесообразность применения датчиков разности
давлений «EJX430A».
3. Автоматизация ГРС «Энергия-1»
.1 Объем автоматизации
.1.1 Уровни автоматизации
Как правило, системы контроля и управления – это
двухуровневые системы, так как именно на этих уровнях реализуется
непосредственное управление технологическими процессами.
Нижний уровень – включает различные датчики для
сбора информации о ходе технологического процесса, электроприводы и
исполнительные механизмы для реализации регулирующих и управляющих воздействий.
Датчики поставляют информацию локальным программируемым логическим
контроллерам. Как правило, задачи управления решаются на этом уровне.
Для уменьшения человеческого фактора, связанного
с неправильной эксплуатацией сложного технологического оборудования, необходимо
внедрение средств автоматизации на основе человекомашинного интерфейса,
интуитивно понятного человеку, которые должны обобщать, структурировать и
систематизировать информацию.
Верхний уровень включает, прежде всего, одну или
несколько станций управления, представляющих собой АРМ диспетчера/оператора. В
основном в качестве рабочих станций используются ПЭВМ различных конфигураций.
АРМ оператора ГРС необходим для повышения
эффективности взаимодействия оператора (диспетчера) с системой и сведения к
нулю его критических ошибок при управлении; сокращении времени на обработку
информации, на поиск необходимой информации; улучшении качества контроля и
учета аналоговых и дискретных параметров; управлении технологическим
оборудованием, т.е. повышении эффективности работы оператора.
Все компоненты системы управления объединены
между собой каналами связи.
Взаимодействие АРМ с САУ ГРС осуществляется по
сети Ethernet.
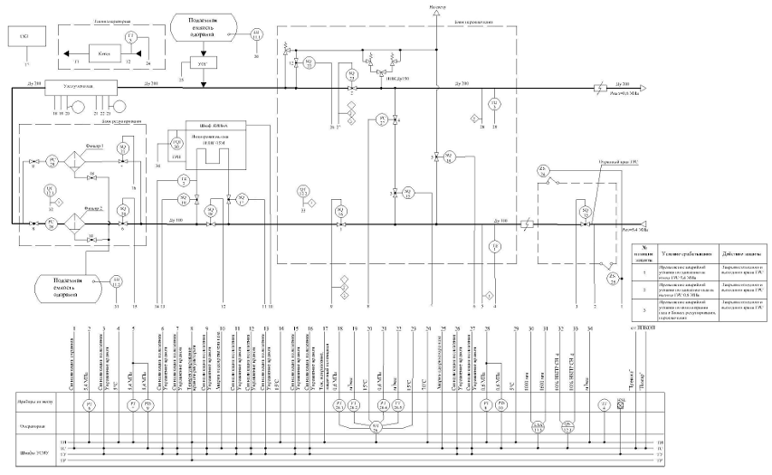
Структурная схема представлена на рис. 3.1.

Рисунок 3.1 – Структурная схема системы контроля
и управления ГРС
Функции, которые выполняет АРМ САУ ГРС:
обеспечение механизма регистрации пользователей
для защиты от несанкционированного управления технологическим оборудованием
ГРС;
отображение на мониторе мнемосхем крановой
обвязки и технологического оборудования ГРС в форме видеокадров, выполненных по
принципу многоуровневого вложения от общего к частному;
визуализация на мониторе информации от датчиков
и сигнализаторов о состоянии технологического оборудования ГРС, а также
информации, поступающей от локальных САУ в реальном масштабе времени
(подогревателей газа и др.);
отображение аналоговых параметров, в том числе в
виде трендов за
заданный
промежуток времени, и контроль их достоверности;
– отображение уставок аналоговых параметров с
возможностью их изменения;
отображение состояний исполнительных механизмов
и контроль их исправности;
дистанционное управление исполнительными
механизмами (кранами, вентиляторами, дискретный клапан-дросселя);
отображение и регистрация учета расхода газа по
нескольким замерным узлам (мгновенного, суточного, месячного расхода),
изменение конфигурационных параметров, в том числе с учетом химического состава
газа;
отображение текущей аварийной и
предупредительной информации в журнале текущих тревог;
звуковое оповещение оператора об аварийной
ситуации, включающее аварийную и предупредительную звуковую сигнализацию;
автоматическая генерация и печать журналов
оператора;
ведение архивов журналов событий, трендов и
журналов оператора.
Внедрение таких систем на ГРС приобретает особое
значение, так как позволяет обеспечить эффективную работу ГРС в заданных
режимах, повысить качество работы, обеспечить безаварийность и экологическую безопасность,
повысить производительность труда.
Средства автоматизации ГРС предназначены для
повышения надежной и стабильной работы ГРС и обеспечения непрерывной подачи
газа потребителям.
3.1.2 Функции автоматизации
Комплекс технических средств автоматизации,
установленный на технологическом оборудовании, обеспечивает:
управление узлом переключения, в том числе:
) измерение давления и температуры газа на входе
ГРС, сравнение измеренных значений с заданными технологическими и аварийными
границами, формирование и выдача предупредительной и аварийной сигнализации;
) измерение давления и температуры газа на
выходе ГРС, сравнение измеренных значений с заданными технологическими и
аварийными границами, формирование и выдача предупредительной и аварийной
сигнализации;
) сигнализацию положения кранов узла
переключения, охранного крана ГРС; дистанционное (с локального пульта ГРС и с
диспетчерского пункта) управление кранами узла переключения, охранным краном
ГРС и автоматическое отключение ГРС при авариях. Управление узлом очистки газа,
в том числе: измерение перепада давления в сепараторе;
) сигнализацию минимального и максимального
допустимого уровня жидкости в сепараторе; дистанционное и автоматическое
управление краном на линии сброса жидкости в зависимости от уровня жидкости в
фильтре-сепараторе;
) предупредительную сигнализацию максимального
уровня жидкости в сборных емкостях;
управление узлом предотвращения
гидратообразований, в том числе:
) измерение давления и температуры газа на
выходе блока подогрева;
) сигнализация положения кранов на входе и
выходе блока подогрева, крана на линии подачи газа в обход подогревателя;
) автоматическое и дистанционное управление
кранами;
) сигнализация о работе подогревателя от системы
управления подогревателя;
) сигнализация аварии подогревателя;
управление узлом редуцирования газа, в том
числе:
) контроль положения кранов на линиях
редуцирования;
) автоматическое и дистанционное
включение/отключение линий редуцирования, в том числе резервных и
вспомогательных;
) сигнализация давления газа на линиях
редуцирования между последовательно установленными регулирующими устройствами;
) автоматическое регулирование давления газа,
подаваемого потребителям;
коммерческий учет газа по каждому потребителю, в
том числе:
) измерение общих для всех потребителей
параметров и введение необходимых констант; измерение давления газа; измерение
температуры газа;
) измерение расхода газа (счетчик газа с
импульсным выходом);
) расчет расхода газа;
управлением блоком одоризации газа, в том числе:
) сигнализация минимального уровня в емкости
хранения одоранта;
) управление дозированной подачей одоранта в
газ;
) сигнализация наличия потока одоранта;
) учет количества введенного одоранта;
управление краном на обводной линии, в том
числе:
) положение крана на обводной линии;
) дистанционное (с локального пульта ГРС и с
диспетчерского пункта) управление краном на обводной линии;
сигнализацию состояния узла энергопитания, в том
числе:
) сигнализация отключения основного источника
питания; сигнализация состояния резервного источника питания;
) сигнализация переключения на резервный
источник;
) учет расхода электроэнергии;
коммерческий учет газа на собственные нужды, в
том числе измерение:
) параметров и введение необходимых констант;
) давления газа;
) температуры газа;
) расхода газа (счетчик газа с импульсным
выходом);
контроль состояния ГРС, в том числе:
) выявление аварийных ситуаций по
соответствующим алгоритмам, включение аварийных защит ГРС;
) измерение температуры в блоке КИП;
) сигнализация наличия довзрывоопасной
концентрации природного газа в помещениях ГРС;
) пожарная сигнализация;
) сигнализация проникновения на территорию ГРС и
в помещения ГРС;
) сигнализация утечек одоранта;
) контроль работы и управление станцией катодной
защиты (измерение напряжения, тока, потенциала и регулирование выходного
напряжения/тока);
самодиагностика технического состояния САУ ГРС,
в том числе:
) выявление неисправностей аналоговых датчиков с
унифицированным выходом;
) контроль целостности цепей исполнительных
механизмов;
) выявление отказа, с точностью до типового
модуля ввода/вывода;
) выявление отсутствия связи с верхним уровнем
управления;
представление информации:
) формирование и выдача информации, включая
предупредительную и аварийную сигнализацию, на локальный пульт контроля и
управления, включение звукового извещателя на ГРС;
) формирование и выдача предупредительных и
аварийных сигналов на удаленный пульт, включение звукового извещателя;
) формирование и выдача информации по каналам
связи в диспетчерский пункт;
) обработка, синхронизация и выполнение команд,
поступающих с локального пульта и из диспетчерского пункта;
) дистанционное (с диспетчерского пункта)
отключение ГРС;
вспомогательные функции:
) переключение с основного источника питания на
резервный без нарушения алгоритма работы и выдачи ложных сигналов;
) защита от несанкционированного доступа к
информации и управлению;
) протоколирование событий [4].
.1.3 Система ПАЗ
Надежность функционирования систем обеспечения
безопасности опасных объектов промышленности целиком зависит от состояния
электронных и программируемых электронных систем, связанных с безопасностью.
Эти системы называются системами ПАЗ. Такие системы должны быть способны
сохранять свою работоспособность даже в случае отказа других функций АСУ ТП
ГРС.
Рассмотрим главные задачи, возлагаемые на такие
системы:
предотвращение аварий и минимизация последствий
аварий;
блокирование (предотвращение) намеренного или
ненамеренного вмешательства в технологию объекта, который может привести к
развитию опасной ситуации и инициировать срабатывание ПАЗ.
Для некоторых защит предусматривается наличие
задержки между обнаружением аварийного сигнала и защитным отключением.
На ГРС непрерывно контролируется ряд
технологических параметров, аварийные значения которых требуют отключения и
блокировки работы объектов ГРС. В зависимости от параметра или условия, по
которому сработала защита, может выполняться:
автоматическое отключение ГРС;
закрытие кранов узла переключения, охранного
крана;
управление краном на обводной линии;
переключение на резервный источник.
Для всех параметров защиты предусмотрен
испытательный режим. В испытательном режиме устанавливается флаг защиты, запись
в массиве защит и передается сообщение оператору, но управляющие воздействия на
технологическое оборудование не формируются.
В зависимости от того, по какому контролируемому
параметру срабатывает защита, система должна осуществлять:
отключение объектов ГРС;
закрытие задвижек;
отключение тех или иных вспомогательных систем;
включение устройств световой и звуковой
сигнализации.
Газопроводы для обеспечения безопасной
эксплуатации оснащены запорной и регулирующей арматурой, предохранительными
устройствами, средствами защиты, автоматизации, блокировок и измерения.
Перед горелками газоиспользующих установок
предусмотрена установка автоматических быстродействующих запорных клапанов с
герметичностью затвора класса А в соответствии с государственным стандартом и
временем закрытия до 1 с.
Прекращение подачи электроэнергии от внешнего
источника вызывает закрытие клапана без дополнительного подвода энергии от
других внешних источников.
Конструкция запорной, регулирующей арматуры,
предохранительных устройств, приборов защиты электрических цепей, автоматики
безопасности, блокировок и измерений соответствует требованиям
нормативно-технической документации, согласованной с Госгортехнадзором России.
Конструкция запорной, регулирующей арматуры и предохранительных устройств
обеспечивает герметичность затвора не менее класса В, стойкость к
транспортируемой среде в течение срока службы, установленного изготовителем.
Запорная арматура, устанавливаемая вне
помещений, имеет электропривод в исполнении, соответствующем интервалу
температур наружного воздуха, указанному в технических паспортах на
электроприводы, а также должна быть защищена от атмосферных осадков.
Конструкция регуляторов давления газа должна
обеспечивать:
зону пропорциональности, не превышающую ± 20%
верхнего предела настройки выходного давления для регуляторов;
зону нечувствительности, составляющую не более
2,5% верхнего предела настройки выходного давления;
постоянную времени (время переходного процесса
регулирования при резких изменениях расхода газа или входного давления), не
превышающую 60 с.
Относительная нерегулируемая протечка газа через
закрытые клапаны двухседельных регуляторов допускается не более 0,1%
номинального расхода; для односедельного клапана герметичность затворов должна
соответствовать классу А по государственному стандарту.
Допустимая нерегулируемая протечка газа при
применении в качестве регулирующих устройств поворотных заслонок не должна
превышать 1% пропускной способности.
Точность срабатывания предохранительных запорных
клапанов должна составлять ± 5% заданных величин контролируемого давления для
предохранительных клапанов, устанавливаемых на ГРС.
Предохранительные сбросные клапаны должны
обеспечивать открытие при превышении установленного максимального рабочего
давления не более чем на 15%. Давление, при котором происходит полное закрытие
клапана, устанавливается соответствующим стандартом или техническими условиями
на изготовление клапанов. Пружинные сбросные клапаны должны быть снабжены
устройством для их принудительного открытия.
Допустимое падение давления газа на фильтре
устанавлены заводом-изготовителем. Фильтры должны иметь штуцера для
присоединения к ним дифманометров или других устройств для определения перепада
давления на фильтре [5].
Агрегатные защиты ГРС должны обеспечивать его
безаварийную эксплуатацию и отключение при выходе контролируемых параметров за
установленные пределы.
Алгоритмическое содержание функций ПАЗ состоит в
реализации следующего условия: при выходе значений определенных технологических
параметров, характеризующих состояние процесса или оборудования, за
установленные (допустимые) пределы должно проводиться отключение (остановка)
соответствующего объекта или всей станции.
Входную информацию для группы функций ПАЗ
содержат сигналы о текущих значениях контролируемых технологических параметров,
поступающие на логические блоки (программируемые контроллеры) от
соответствующих первичных измерительных преобразователей, и цифровые данные о
допустимых предельных значениях этих параметров, поступающие на контроллеры с
пульта АРМ оператора. Выходная информация функций ПАЗ представлена
совокупностью управляющих сигналов, посылаемых контроллерами на исполнительные
органы систем защиты.
Развитие контроллерных интерфейсов, появление
электронных систем отображения информации, SCADA систем и внедрение модульного
принципа построения ПЛК привело к структуре контроллерной системы ПАЗ (рисунок
3.2).

Рисунок 3.2 – Структура контроллерной системы
ПАЗ
.1.4 Описание функциональной схемы
автоматизации.
Функциональная схема автоматизации ГРС
«Энергия-1» представлена на рисунке 3.3. Она выполнена в соответствии с объемом
автоматизации для данного объекта.
На схеме можно отметить следующие контуры:
измерение параметров и отображение их по месту
или на щите;
контроль и сигнализация предельных значений или
уставок;
регулирование необходимых технологических
параметров с целью поддержания технологического процесса.

Рисунок 3.3 – Функциональная схема АГРС
«Энергия-1»
Измерение, сбор, первичная обработка и
трансляция на верхний уровень диспетчеризации параметров телемеханизации
различных технологических объектов осуществляется информационно-измерительным
комплексом «Магистраль-2», который будет рассмотрен подробно в следующем
подразделе.
Измерение всех технологических параметров
необходимо для визуализации технологического процесса и определения
соответствия режиму работы ГРС. В связи с этим применяются средства
автоматизации, рассмотренные ниже.
Преобразователь температуры интеллектуальный
«Метран-286» предназначен для точных измерений температуры нейтральных, а также
агрессивных сред, по отношению к которым материал защитной арматуры является
коррозионностойким.
Термопреобразователи сопротивления
взрывозащищенные «ТСМУ-014» предназначены для измерения температуры жидких и
газообразных сред во взрывоопасных зонах, в которых могут образовываться
взрывоопасные смеси категорий IIA, IIB,IIC групп Т1…Т4.
Измерение давления на входе и выходе ГРС
осуществляется датчиком избыточного давления «Метран -100-Вн-ДИ» и манометром
электроконтактным «ДМ 2005 CrlEx». Сигнализация о выходе значений уровня за
установленные пределы осуществляется комплектом сигнализатора уровня
ультразвуковым «УЗС-207И». Система газоаналитечская «СГОЭС» состоит из датчиков
газовых оптических, установленных по месту, и устройства порогового «УПЭС-40»,
установленного на щите. Выключатель бесконтактный концевой «ВКЭ-02»
осуществляют сигнализацию положений и управление кранами. Вычислитель комплекса
«Суперфлоу-2ЕТ» ведет автоматический сбор, обработку и хранение данных о
расходе газа, который включает в себя датчики давления, счетчики газа с
преобразователем импульсов и датчики температуры.
Кран-регулятор «Ду80» с электроприводом
позволяет осуществлять дистанционное регулирование краном. В блоке
редуцирования давление регулируется регуляторами давления «Лорд». Электронный
корректор «SEVC-D» является ключевым элементом коммерческого узла учета расхода
газа, использующимся для приведения измеренного счетчиком объема газа к
стандартным условиям.
Блок управления «БУК-5ПГ» предназначен для
управления процессами нагрева газа и их смесей в блочных подогревателях с
промежуточным теплоносителем и обеспечения безопасности работы этих
подогревателей.
В случае аварии включается световая
сигнализация, звуковая сигнализации и производится остановка подогревателя с
запоминанием первопричины аварии.
Устройство связи и управления комплекса
«Магистраль-2» обеспечивает сбор и обработку телеметрической информации с
датчикового оборудования в реальном масштабе времени и функционирование в
составе АСУ ТП.
Прибор приемно-контрольный охранно-пожарный
предназначен для централизованной и автономной охраны объекта от
несанкционированных проникновений и пожаров.
В таблице 3.1 приведен перечень КИП и ТСА ГРС
«Энергия-1».
Таблица 3.1 – Перечень КИП и ТСА ГРС «Энергия-1»
Позиционное | Наименование | Коли- | Приме- |
1-3 | Преобразователь | 3 | – |
4, | Термопреобразователь | 2 | – |
6-8 | Датчик | 3 | – |
9, | Манометр | 2 | – |
| Сигнализатор | | комплект |
12.1, | Система | 2 | комплект |
13-23 | Выключатель | 11 | – |
24, | Выключатель | 2 | – |
26 | Вычислитель | 1 | – |
26.1; | Датчик | 2 | – |
26.2; | Счетчик | 2 | – |
26.3; | Термопреобразователь | 2 | – |
27 | Кран-регулятор | 1 | – |
28, | Регулятор | 2 | – |
30 | Корректор | 1 | – |
В таблице 3.2 представлена информация о условиях
срабатываниях ПАЗ и действии защиты.
Таблица 3.2 – Условия срабатования и действия
ПАЗ
№ | Условие | Действие |
1 | Превышение | Закрытие |
2 | Превышение | Закрытие |
3 | Превышение | Закрытие |
.1.5 Анализ системы автоматизации ГРС
«Энергия-1»
ГРС предназначена для подачи потребителям газа с
определенным давлением, степенью очистки и одоризации. Основным назначением
системы автоматизации ГРС является сбор данных телеметрии и управлением
оборудованием ГРС.
ГРС «Энергия-1» является технологическим
объектом с высокой степенью автоматизации. Станция оснащена системой
автоматического управления и регулирования, телемеханическими системами и иными
средствами автоматизации.
При квалификации учета газа на ГРС как
коммерческого, требуется определять не только количество, но и качество
учитываемого газа. Вычислитель комплекса «Суперфлоу-2ЕТ» позволяет
автоматически непрерывно измерять давление, температуру, расход и объем, а
также получать информацию о качестве газа.
ГРС должна обеспечивать функции защиты
потребителя (автоматический контроль и управление запорной арматурой для
предотвращения аварийных ситуаций), телемеханики. Информационно-измерительный
комплекс “Магистраль-2» предназначен для реализации оперативного контроля
и управления технологическим объектом на ГРС «Энергия-1».
Газоаналитическая система «СГОЭС» применяется
для измерения уровней загазованности и выдачи предупредительной и аварийной
сигнализации о достижении значений заданных уставок и для реализации программ
автоматических защит.
К преимуществам газоаналитической системы
«СГОЭС» можно отнести повышенную точность контроля, надежность источников
питания, улучшенную помехозащищенность системы.
Однако на входе и выходе ГРС установлены датчики
избыточного давления «Метран-100-Вн-ДИ», которые морально устарели и не
отвечают современным требованиям. Более того, датчик избыточного давления
«Метран-100-Вн-ДИ» снят с производства. Поскольку давление является одним из
самых важнейших контролируемых параметров на ГРС, особое внимание в данном
дипломном проекте было уделено датчикам избыточного давления.
3.2 Информационно-измерительный комплекс
«Магистраль-2»
Информационно-измерительный комплекс
«Магистраль-2» предназначен для измерения, сбора, первичной обработки и
трансляции на верхний уровень диспетчеризации параметров телемеханизации
различных технологических объектов с переменным набором телефункций, таких как:
крановые площадки, объекты линейной части трубопроводов, пункты замера газа,
ГРС, удаленные технологические сооружения и другие рассредоточенные объекты.
Отличительной особенностью комплекса является многоуровневая распределенная
структура, блочно-модульное построение аппаратных средств контролируемого
пункта и открытая архитектура.
Комплекс выполняет следующие функции:
телеизмерение, преобразование и нормирование
текущих мгновенных и/или интегральных значений технологических параметров как
постоянно, по внутреннему алгоритму, так и по команде с пункта управления;
телесигнализация положения, состояния и режимов
работы технологического оборудования и вспомогательных объектов
телесигнализация аварийных ситуаций и режимов
работы технологического оборудования и вспомогательных объектов;
телеуправление технологическими объектами;
телерегулирование;
формирование и передача на верхний уровень
телеметрической информации о состоянии каналов связи и устройств комплекса, в
том числе сигналов недостоверности информации по телеизмерению,
телесигнализации, телесигнализации аварийных ситуаций и информации о
невозможности выполнения телеопераций телерегулирования и телеуправления;
защита от выполнения ложных команд или передачи
ложной информации;
автоматическое переключение устройств комплекса
с рабочих на резервные источники питания при исчезновении напряжения на рабочем
вводе питания и обратное переключение при его восстановлении;
передача информации на верхний уровень и прием
команд с верхнего уровня;
регистрация и накопление в базе данных
информации по функционированию устройств комплекса и изменению технологических
параметров.
Комплекс «Магистраль – 2» имеет уровни передачи
данных и диспетчерского контроля (верхний) и технологический (нижний).
На верхнем уровне комплекса используются
следующие компоненты:
автоматизированные рабочие места диспетчеров на
базе дублированных и одиночных персональных компьютеров промышленного
исполнения (пункты управления);
рабочие станции, функционирующие в режиме
коммуникационных серверов и поддерживающие диагностические функции (центральные
концентраторы информации);
устройства сбора, обработки и хранения технологической
информации группы объектов из состава нижнего уровня комплекса (концентраторы
информации).
Аппаратура пункта управления располагается в
диспетчерской, а аппаратура центрального концентратора информации – в узле
связи. Для обеспечения надежной работы пункт управления и центральный
концентратор информации комплектуются персональными компьютерами промышленного
исполнения. Связь между ними осуществляется с применением стандартных средств и
систем связи (физическая линия, оптоволокно, радиосвязь, GSM-связь, сеть
Ethernet). Концентратор информации предназначен для интеграции нескольких
объектов комплекса нижнего уровня.
На нижнем уровне комплекса возможно
использование контролируемых пунктов телемеханики, САУ ГРС и устройств
управления объектом, территориально распределенных в соответствии с
расположением технологических объектов.
Пункт управления представляет собой комплекс
программно-технических средств, предназначенных для функций телеизмерения,
телеконтроля, телеуправления и телерегулирования объектами магистральных
газопроводов в составе комплекса телемеханики «Магистраль-2», а также для
управления информационной составляющей комплекса (изменение режимов, задание
уставок, запуск алгоритмов).
Центральный концентратор информации представляет
собой комплекс программно-технических средств, предназначенных для выполнения
всех функций, присущих пункту управления, но без постоянного пользователя.
Концентратор информации не имеет средств человеко-машинного интерфейса и в
автоматическом режиме выполняет функции сбора и обработки технологической
информации с подчиненных ему контролируемых пунктов. Конструктивно концентратор
информации выполнен в пластиковом корпусе, где размещаются процессорный модуль,
источник питания и, при необходимости, модуль расширителя последовательного
интерфейса.
На рисунке 3.4 представлена структурная схема
информационно-измерительного комплекса «Магистраль-2».

ПУ – пункт управления; АПД – аппаратура передачи
данных; ИЧМ – интерфейс человеко-машинный; ЦКИ – центральный концентратор
информации; КИ – концентратор информации; КП – контролируемый пункт; ЛВС –
локальная вычислительная сеть; УУО – устройство управления объектом
Рисунок 3.4 – Структурная схема
информационно-измерительного комплекса «Магистраль-2»
В качестве программного обеспечения,
устанавливаемого на концентраторе информации, центральном концентраторе
информации и пункте управления применяется комплекс программ «ЗОНД».
Программное обеспечение в совокупности обеспечивает сбор технологической
информации в реальном масштабе времени, ее отображение и архивирование,
трансляцию команд управления оборудованием, а также выполнение других функций,
присущих SCADA-системам.
Технические характеристики
информационно-измерительного комплекса «Магистраль-2» представлены в таблице
3.3.
Таблица 3.3 – Технические характеристики
информационно-измерительного комплекса «Магистраль-2»
Наименование | Показатель |
Среднее | |
Максимальное | 256 |
Максимальное | 15 |
Быстродействие | 300- |
Быстродействие | 2400 |
Быстродействие | 57600 |
Аппаратура пункта управления расположена в
диспетчерской, а центрального концентратора информации – в узле связи. Связь
между пунктом управления и центральным концентратором информации осуществляется
с помощью стандартных средств. Длина линии связи между устройством связи и
управления и устройством управления объектом до 4000 м, длина канала передачи
данных между блоками устройства связи и управления до 1000 м, емкость
резервного источника питания до 160 А/ч, гарантированное минимальное время
работы от источника резервного питания 3 суток; рабочий диапазон температуры
окружающей среды от минус 40 до 70 °С [6].
.3 Методы преобразования давления
Важнейшими контролируемыми параметрами ГРС
являются температура, давление и расход. Измерение указанных параметров и
представление информации об их значениях и изменениях являются абсолютно
необходимыми на всех стадиях протекания данного технологического процесса. Ни
один технологический процесс не может управляться ни вручную, ни автоматически
без получения такой информации с помощью соответствующих технических средств
измерений, основанных на использовании различных методов измерений и способов
получения результатов измерений. Далее рассмотрим датчики давления и основные
методы преобразования давления.
Датчик давления состоит из первичного
преобразователя давления, в составе которого чувствительный элемент и приемник
давления, схемы вторичной обработки сигнала, различных по конструкции корпусных
деталей и устройства вывода. Основным отличием одних приборов от других
является точность регистрации давления, которая зависит от метода
преобразования давления в электрический сигнал: тензорезисторный, ёмкостный,
индуктивный, резонансный, ионизационный.
.3.1 Тензорезисторный метод.
В настоящее время основная масса датчиков
давления в нашей стране выпускаются на основе чувствительных элементов,
принципом действия которых является измерение деформации тензорезисторов,
сформированных в эпитаксиальной пленке кремния на подложке из сапфира,
припаянной твердым припоем к титановой мембране.
Принцип действия тензорезисторных измерительных
преобразователей давления основан на явлении тензоэффекта, суть которого
состоит в изменении сопротивления тензорезисторов при их деформации. Связь
между изменением сопротивления ТР и его деформацией устанавливается
соотношением:
автоматизация газораспределительный
одоризатор
, (3.1)
где DR/R – относительное изменение сопротивления ТР;
SТ – коэффициент
тензочувствительности, определяемый материалом ТР. Тензочувствительность
считается положительной, если ΔR/R>0,и отрицательной – если ΔR/R<0;
Dl/l
– относительное изменение длины ТР.
На сегодняшний день тензорезисторные
измерительные преобразователи давления (в переводной литературе их иногда
называют пьезорезисторными) являются самыми популярными в мире. Они
представляют собой металлическую и/или диэлектрическую измерительную мембрану,
на которой размещаются ТР. Деформация мембраны под воздействием внешнего
давления приводит к локальным деформациям ТР, включенным обычно в плечи
четырехплечего уравновешенного моста (рисунок 3.5).
, R2, R3, R4 – тензорезисторы (плечи
моста), ac – диагональ питания, bd – измерительная диагональ
Рисунок 3.5 – Схема четырехплечего
уравновешенного моста
При этом одна пара ТР, включенных в
противоположные плечи моста (например, R1 и R3), имеет положительную тензочувствительность,
а другая (соответственно R2 и R4) – отрицательную. Их сопротивления при подаче
давления соответственно увеличиваются и уменьшаются на величину ΔR. При
отсутствии давления все четыре сопротивления равны по величине (R1 = R3 = R2 =
R4 = R) и мост сбалансирован (ток Ibd в измерительной диагонали равен нулю).
При подаче давления баланс (равновесие) моста нарушается, и в измерительной
диагонали моста будет протекать ток. Этот токовый сигнал и является мерой
измеряемого давления.
ТР выполняются как из металлов
(проволочные, фольговые), так и из полупроводников. Чувствительность
полупроводниковых ТР в десятки раз выше, чем у металлических, кроме того,
интегральная технология позволяет в одном кристалле кремния формировать
одновременно как ТР, так и микроэлектронный блок обработки. Поэтому в последние
годы получили преимущественное развитие интегральные полупроводниковые
тензорезисторные чувствительные элементы. Такие чувствительные элементы
реализуются двумя способами:
) по гетероэпитаксиальной технологии
КНС, в соответствии с которой тонкая пленка кремния выращивается на подложке из
сапфира, припаянной твердым припоем к титановой мембране;
) по технологии диффузионных
резисторов с изоляцией их от проводящей кремниевой подложки p-n переходами – технология
КНК. В структуре КНК мембрана из монокристаллического кремния размещается на
диэлектрическом основании с использованием легкоплавкого стекла или методом
анодного сращивания. Особенно широкое применение в изготовлении
общепромышленных измерительных преобразователей давления в настоящее время
получила технология КНС. К ее преимуществам можно отнести хорошую защищенность
чувствительного элемента от воздействия любой агрессивной среды, налаженное
серийное производство, низкую стоимость. Однако структура КНС имеет и
недостатки – временную нестабильность градуировочной характеристики и
существенную погрешность гистерезиса от давления и температуры. Это обусловлено
неоднородностью конструкции и жесткой связью мембраны с конструктивными
элементами датчика. Измерительные преобразователи давления, выполненные на
основе структуры КНК, имеют бóльшую временную и температурную
стабильности по сравнению с преобразователями на основе КНС – структур.
Наибольшую погрешность в результат
измерения давления с помощью тензорезисторных измерительных преобразователей
вносит влияние температуры. Для ее уменьшения, в связи с широким использованием
в последнее время интеллектуальных преобразователей, как правило, используется
автоматическое введение поправок на температуру. При этом первичный
преобразователь (тензорезисторный чувствительный элемент) подвергается
предварительной градуировке при различных значениях температуры. Эти
градуировочные данные вводятся в память микропроцессора интеллектуального
преобразователя. При эксплуатации преобразователя измеряется температура и
выходной ток датчика, и путем аппроксимации градуировочных данных вычисляется
измеряемое давление.
Схематичное изображение
чувствительных элементов показано на рисунке 3.6.

а) технология КНС

б) технология КНК
Рисунок 3.6 – Схематичное
изображение тензорезисторных чувствительных элементов
Внешний вид тензорезистроных
чувствительных элементов показан на рисунке 3.7.

а) технология КНК

б) соответствующий измерительный
преобразователь давления
Рисунок 3.7 – Внешний вид
тензорезисторного чувствительного элемента
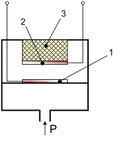
.3.2 Ёмкостной метод
Схема, поясняющая принцип действия
ёмкостного измерительного преобразователя давления показана на рисунке 3.8.

– металлическая мембрана; 2 –
неподвижный электрод; 3 – изолятор; Р – измеряемое давление
Рисунок 3.8 – Схема ёмкостного измерительного
преобразователя давления
Измеряемое давление воспринимается
металлической мембраной 1, являющейся подвижным электродом конденсатора.
Неподвижный электрод 2 изолируется от корпуса с помощью изолятора 3.
Зависимость ёмкости С конденсатора
от перемещения δ
мембраны
1, которое, в свою очередь, зависит от давления, имеет вид:
, (3.2)
где e – диэлектрическая проницаемость среды,
заполняющей межэлектродный зазор;
S – площадь электродов;
δ0 – расстояние между электродами
при давлении, равном нулю.
Известны керамические или кремниевые
ёмкостные первичные преобразователи давления и преобразователи, выполненные с
использованием упругой металлической мембраны. При изменении давления мембрана
с электродом деформируется и происходит изменение ёмкости.
В элементе из керамики или кремния,
пространство между обкладками обычно заполнено маслом или другой органической
жидкостью.
Воздействие давления вызывает
изменение положения измерительной мембраны центральной обкладки конденсатора,
которое приводит к изменению обеих ёмкостей конденсаторов.
Достоинством чувствительного
ёмкостного элемента является простота конструкции, высокая точность и временная
стабильность, возможность измерять низкие давления и слабый вакуум. К недостатку
можно отнести нелинейную зависимость ёмкости от приложенного давления.
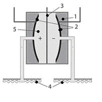
В ёмкостных дифференциальных
измерительных преобразователях давления (рисунок 3.9) чувствительный элемент
состоит из двух соединенных конденсаторов.

– капсульная защита; 2 – пластины
конденсатора; 3 – чувствительная мембрана; 4 – разделительные мембраны; 5 –
заполняющая жидкость
а) схема чувствительного элемента
(ёмкостной ячейки)

б) изображение чувствительного
элемента в разрезе
в) внешний вид
Рисунок 3.9 – Ёмкостной
дифференциальный измерительный преобразователь давления
Ёмкостные преобразователи давления
применяют для измерения быстро изменяющегося давления с верхним пределом до 120
МПа.
.3.3 Резонансный метод.
Резонансный метод используется в
датчиках давления на основе вибрирующего цилиндра, струнных датчиках, кварцевых
датчиках, резонансных датчиках на кремнии. В основе метода лежат волновые
процессы: акустические или электромагнитные. Это и объясняет высокую
стабильность датчиков и высокие выходные характеристики прибора.
Частным примером резонансного метода
может служить резонансный измерительный преобразователь давления с кремниевым
механическим резонатором – разработка фирмы «Yokogawa» (DPHarp технология).
Кремниевый резонатор представляет собой параллелепипед плоской формы,
защищенный герметичной капсулой и интегрированный в плоскость кремниевой
мембраны. Резонатор возбуждается сигналом переменного тока и окружающего
магнитного поля. В зависимости от знака приложенного давления резонатор
растягивается или сжимается, в результате чего частота его собственных
механических колебаний соответственно растет или уменьшается. Колебания механического
резонатора в постоянном магнитном поле преобразуются в колебания электрического
контура, и, в итоге, на выходе чувствительного элемента образуется цифровой
(частотный) сигнал, пропорциональный величине измеряемого давления.
Схема, поясняющая принцип работы
кремниевого резонатора, показана на рисунке 3.10.

Рисунок 3.10 – Схема, поясняющая
принцип действия кремниевого резонансного чувствительного элемента
На рисунке 3.11 показан внешний вид
кварцевого резонансного чувствительного элемента, принцип действия которого
аналогичен принципу действия рассмотренных кремниевых резонансных
чувствительных элементов, и соответствующих измерительных преобразователей
давления.

Рисунок 3.11 – Внешний вид
кварцевого резонансного измерительного преобразователя давления
Преимуществом резонансных датчиков
является высокая точность и стабильность характеристик, которая зависит от
качества используемого материала. К недостаткам можно отнести индивидуальную
характеристику преобразования давления, значительное время отклика,
невозможность проведения измерений в агрессивных средах без потери точности
показаний прибора.
.3.4 Индуктивный метод
Индуктивный способ основан на
регистрации вихревых токов (токов Фуко). Преобразователь измеряет смещение
мембраны при отсутствии механического контакта. В катушках генерируется
электрический сигнал переменного тока таким образом, что заряд и разряд катушек
происходит через одинаковые промежутки времени. При отклонении мембраны
создается ток в фиксированной основной катушке, что приводит к изменению
индуктивности системы. Смещение характеристик основной катушки дает возможность
преобразовать давление в стандартизованный сигнал, по своим параметрам прямо
пропорциональный приложенному давлению. Преимуществом такой системы, является
возможность измерения низких избыточных и дифференциальных давлений, достаточно
высокая точность и незначительная температурная зависимость. Однако датчик
чувствителен к магнитным воздействиям, что объясняется наличием катушек,
которые при прохождении переменного сигнала создают магнитное поле.
Чувствительный элемент состоит из
двух катушек, изолированных между собой металлическим экраном (рисунок 3.12).

Рисунок 3.12 – Принципиальная схема
индуктивного преобразователя давления
.3.5 Ионизационный метод
Принцип действия электронного
преобразователя основан на прямой пропорциональности между давлением и ионным
током, образовавшимся в результате ионизации термоэлектронами остаточных газов.
Основными элементами электронного ионизационного манометрического
преобразователя являются прямонакальный катод, анод-сетка и коллектор ионов
(рисунок 3.13).

Рисунок 3.13 – Ионизационный датчик
вакуума
Лампа оснащена двумя электродами:
катодом и анодом, а также – нагревателем. Корпус лампы выполнен из
высококачественного стекла.
Электронный ионизационный
манометрический преобразователь действует следующим образом. Накаленный прямым
пропусканием тока катод испускает электроны. Электроны ускоряются в
пространстве между катодом и анодом. Большинство электронов пролетает
анод-сетку, попадая в замедляющее электрическое поле. Поскольку замедляющая
разность потенциалов больше ускоряющей разности потенциалов, электроны, не
долетая до коллектора ионов, изменяют направление движения. Затем, приобретая
скорость в направлении к аноду, электроны вновь пролетают анод-сетку,
тормозятся около катода и вновь направляются к аноду. Таким образом, электроны совершают
колебательные движения около анода.
На своём пути электроны производят
ионизацию газа. Положительные ионы, образовавшиеся в пространстве между анодом
и коллектором ионов, притягиваются последним. При постоянном токе электронной
эмиссии (эмиссионный ток в рассматриваемых вакуумметрах устанавливается на
уровне 5 мА.) постоянном числе электронов, колеблющихся около анода, количество
актов ионизации, т.е. количество образующихся ионов, будет пропорциональным
концентрации молекул газа в пространстве, т.е. давлению. Таким образом, ионный
ток коллектора служит мерой давления газа.
Преимуществом таких ламп является
возможность регестрировать низкое давление – вплоть до глубокого вакуума с
высокой точностью. Однако следует строго учитывать, что подобные приборы нельзя
эксплуатировать, если давление в камере близко к атмосферному. Поэтому подобные
преобразователи необходимо сочетать с другими датчиками давления, например,
ёмкостными.
Помимо прочего, ионизационные лампы
должны оснащаться дополнительными приборами, поскольку зависимость сигнала от
давления является логарифмической.
Подводя итог, приведем основные
достоинства и недостатки различных методов преобразования давления в
электрический сигнал, результаты сведены в таблице 3.4.
Таблица 3.4 – Достоинства и
недостатки различных методов преобразования давления
Метод | Преимущества | Недостатки |
Тензорезисторный | -высокая | -неустранимая |
Емкостной | -высокая | -нелинейная |
Резонансный | -высокая | |
Индуктивный | -незначительное | -сильное |
Ионизационный | -возможность | -невозможность |
Различные сферы применений определяют свои
требования к датчикам: для промышленности – надежность и стабильность
характеристик, для лабораторных измерений и расходометрии – точность измерения
давления и т.д. Еще одним важным параметром является цена датчиков, которые
используют тот или иной метод преобразования давления. Поэтому при выборе
преобразователя необходимо определить наиболее выгодный вариант – соотношение
цены к возможностям прибора. Очевидно там, где требуется только какой-либо
определенный параметр датчика (например, точность или возможность измерять
вакуум) соотношение цены к предъявляемым требованиям высокое. В основном это
касается резонансных, индуктивных, ёмкостных датчиков [7].
Проанализировав преимущества и недостатки
методов преобразования давления, выбраны 3 метода (тензорезисторный,
резонансный и емкостной). В следующем разделе будут рассмотрены датчики
избыточного давления, принцип действия которых основан на этих методах
преобразования давления.
4. Модернизация системы автоматизации ГРС
В данном разделе сформулирована необходимость
модернизации ГРС «Энергия-1», определены критерии выбора, рассмотрен ряд
датчиков избыточного давления, составлена сводная таблица основных технических
характеристик, на основе которой выбран датчик избыточного давления «EJX430A».
Также составлен алгоритм программы перехода ГРС на байпасный режим.
.1 Формулировка задачи и анализ проблемы
ГРС «Энергия-1» должна обеспечить протекание
технологического процесса подачи газа потребителю с определенным давлением,
необходимой степенью очистки, одоризации и учетом газа, а при необходимости
контролем качественных показателей газа. Один из важнейших показателей работы
ГРС – давление, значение которого необходимо измерять, регулировать и
поддерживать в заданных пределах в процессе работы.
В настоящее время на входе и выходе ГРС установлены
датчики избыточного давления «Метран-100-Вн-ДИ», которые выполняют функции
регулирования давления, контроля выхода за пределы заданных значений давления,
а также неисправности основных объектов ГРС. Датчики избыточного давления
«Метран-100-Вн-ДИ» морально устарели и не отвечают современным требованиям.
Более того, датчик избыточного давления «Метран-100-Вн-ДИ» снят с производства
и на производстве остро стоит вопрос его замены.
4.2 Обоснование выбора датчика
На сегодняшнее время выбор датчиков избыточного
давления весьма большой. В первую очередь необходимо определить критерии выбора
по приоритетам в порядке убывания:
погрешность измерения давления;
срок службы и безотказность работы;
диапазон измерения давления;
диапазон рабочих температур;
стоимость.
Анализ методов преобразования давления выявил
достоинства и недостатки датчиков избыточного давления. При выборе
преобразователя давления необходимо определить наиболее выгодное соотношение
цены к возможностям прибора.
.3 Выбор датчика
Рассмотрим датчик избыточного давления
«Метран-100-Вн-ДИ», используемый на ГРС «Энергия-1», который основан на
тензорезисторном методе, и другие датчики: «Сапфир-22МА-ДИ» (производитель
«Элемер», Россия, тензорезисторный метод); «Rosemount 3051S» (производитель
«Эмерсон», США, емкостной метод); «EJX430A» (производитель «Yokogawa», Япония,
резонансный метод).
.3.1 Датчик избыточного давления
«Метран-100-Вн-ДИ»
Датчик избыточного давления «Метран-100-Вн-ДИ»
состоит из преобразователя давления и электронного преобразователя. Конструкция
датчика представлена на рисунке 4.1.
Мембранный тензопреобразователь 3 размещен
внутри основания 2. Внутренняя полость 4 заполнена кремний органической
жидкостью и отделена от измеряемой среды металлической гофрированной мембраной
5, приваренной по наружному контуру к основанию 2. Полость 7 сообщается с
окружающей атмосферой.
Измеряемое давление подается в камеру 6 фланца
9, который уплотнен прокладкой 8. Измеряемое давление воздействует на мембрану
5 и через жидкость воздействует на мембрану тензопреобразователя, вызывая ее
прогиб и изменение сопротивления тензорезисторов. Электрический сигнал от
тензопреобразователя передается из блока чувствительного элемента в электронный
преобразователь 1. Полость 7 герметизирована и сигнал передается в электронный
преобразователь по проводам через гермоввод 10.

– электронный преобразователь; 2 –
основание; 3 – Мембранный тензопреобразователь; 4 – внутренняя полость; 5 –
гофрированная мембрана; 6 – камера; 7 – полость; 8 – прокладка; 9 – фланец; 10
– гермоввод
Рисунок 4.1 – Конструкция датчика
давления «Метран-100-Вн-ДИ»
В таблице 4.1 приведены основные
технические характеристики датчика избыточного давления «Метран-100-Вн-ДИ».
Таблица 4.1 – Основные технические
характеристики «Метран-100-Вн-ДИ»
Характеристика | Значение |
Диапазон | 0 |
Основная | ±0,15 |
Температура | – |
Температура | – |
Наработка | 150000 |
Средний | 15 |
Стоимость, | 15600 |
Функционально электронный преобразователь
состоит из АЦП, источника опорного напряжения, блока памяти АЦП,
микроконтроллера с блоком памяти, ЦАП, стабилизатора напряжения, фильтра
радиопомех и НАRТ-модема для преобразователей. Кроме того, в электронный
преобразователь входит жидкокристаллический индикатор. АЦП, источник опорного
напряжения и блок памяти АЦП размещаются на плате АЦП, которая объединяется с
измерительным блоком в сборочную единицу – чувствительный элемент давления.
Остальные элементы функциональной схемы размещаются в корпусе электронного
преобразователя. Плата АЦП принимает аналоговые сигналы преобразователя
давления, пропорциональные давлению и преобразовывает их в цифровые коды.
Энергонезависимая память предназначена для хранения коэффициентов коррекции
характеристик блока чувствительного элемента и других данных о блоке
чувствительного элемента. Микроконтроллер, установленный на микропроцессорной
плате, принимает цифровые сигналы с платы АЦП вместе с коэффициентами
коррекции, производит коррекцию и линеаризацию характеристики блока
чувствительного элемента, вычисляет скорректированное значение выходного
сигнала датчика и передаёт его в ЦАП. Цифро-аналоговый преобразователь
преобразует цифровой сигнал, поступающий с микроконтроллера, в выходной
аналоговый токовый сигнал [8].
.3.2 Датчик избыточного давления
«Сапфир-22МА-ДИ».
Датчик избыточного давления «Сапфир-22МА-ДИ»
предназначен для работы в системах автоматического контроля, регулирования и
управления технологическими процессами взрывоопасных производств и обеспечивает
непрерывное преобразование значения избыточного давления нейтральных и
агрессивных сред в унифицированный токовый выходной сигнал дистанционной
передачи [9].
Основные технические характеристики датчика
приведены в таблице 4.2.
Таблица 4.2 – Основные технические
характеристики датчика «Сапфир-22МА-ДИ»»
Характеристика | Значение |
Диапазон | 0,25 |
Основная | ±0,15 |
Температура | – |
Температура | – |
Наработка | 100000 |
Средний | 12 |
Стоимость, | 15664 |
.3.3 Датчик давления «Rosemount 3051S»
В датчиках давления «Rosemount 3051S»
применяется конструкция SuperModuleТМ. Она представляет собой полностью
герметичный узел, обеспечивающий самую высокую защиту от проникновения пыли и
воды. В состав узла входит плата электроники и ёмкостный преобразователь
давления, выполненный по технологии SaturnТМ. Основной и дублирующий
чувствительные элементы ёмкостной ячейки, выполненные по этой технологии,
увеличивают надежность работы датчика и значительно улучшают метрологические
характеристики [10].
Основные технические характеристики датчика
приведены в таблице 4.3.
Таблица 4.3 – Основные технические
характеристики «Rosemount 3051S»
Характеристика | Значение | |
Диапазон | 0 | |
Основная | ±0,025 | |
Температура | – | |
Температура | – | |
Наработка | 150000 | |
Средний | 10 | |
Стоимость, | 90000 | |
.3.4 Датчик давления «EJX430A»
Датчик давления «EJX430A» фирмы «Yokogawa» –
предназначен для измерения избыточного давления различных сред: жидкости, газа
и пара [11].
Датчики давления серии «EJA» и «EJX» обладают
всеми функциями современных интеллектуальных датчиков. Отличительной
особенностью преобразователей серий «EJA» и «EJX» является метод измерения
давления: в качестве чувствительного элемента в них используется кремниевый
механический резонатор – уникальная разработка фирмы «Yokogawa».
«EJX» в своей основе используют тот же, что и в
преобразователях «EJA», “частотно-резонансный” метод преобразования
давления в частотный сигнал на базе кремниевого кристалла (DPHarp технология).
При этом в серии «EJX» уменьшено время отклика, оно составляет 95 мс.
Основные технические характеристики датчика
приведены в таблице 4.3.
Таблица 4.4 – Основные технические
характеристики «EJX430A»
Характеристика | Значение |
Диапазон | 0,1 |
Основная | ±0,04 |
Температура | – |
Температура | – |
Наработка | 100000 |
Средний | 10 |
Стоимость, | 16520 |
После рассмотрения ряда преобразователей
давления, существующих на рынке, составлена сводная таблица 4.5.
Таблица 4.5 – Сводная таблица основных
характеристик приборов
Характеристика | Модель | |||
«Сапфир-22ДИ-Ех» | «Rosemount | «EJX430A» | «Метран | |
Диапазон | 0,25 | 0 | 0,1 | 0 |
Основная | ±0,5 | ±0,025 | ±0,04 | ±0,15 |
Температура | – | – | – | – |
Температура | – | – | – | – |
Наработка | 100000 | 150000 | 100000 | 150000 |
Средний | 12 | 10 | 10 | 15 |
Стоимость, | 5664 | 90000 | 16520 | 15 |
Из таблицы видно, что датчик избыточного
давления «EJX430A» фирмы «Yokogawa», основанный на резонансном методе
преобразования, обладает рядом преимуществ перед остальными рассмотренными
альтернативами.
Во-первых, основная приведенная погрешность
очень мала по сравнению с остальными, что обеспечит точное измерение и
эффективность регулирования давления.
Во-вторых, «EJX430A» более надёжен, о чём
свидетельствует большее количество часов наработки на отказ и расчётный срок.
В-третьих, диапазон измерения давления вполне
достаточен для нормальной работы ГРС.
В-четвертых, датчик «EJX430A» имеет широкий
диапазон температур измеряемой и окружающей среды, благодаря чему прибор может
использоваться в разных температурных условиях.
В-пятых, стоимость датчика соответствует понятию
«цена-качество», что доказано в разделе экономическая эффективность доказана .
Помимо выше перечисленных достоинств датчика
«EJX430A» относительно других, рассмотренных приборы для измерения давления
фирмы «Yokogawa» обладают целым рядом преимуществ:
развитие технологии роста кристаллических
структур (переход от традиционного и уже исчерпавшего себя ёмкостного метода
измерения к частотно-резонансным чувствительным элементам – DPHarp-технология).
Конструкция чувствительного элемента DPHarp выполнена в чрезвычайно малых размерах
(десятки микрон) в виде единого монокристалла кремния. Технология DPHarp
позволяет изготавливать чувствительного элемента нового поколения большими
партиями и по конкурентоспособной цене;
существующие широко используемые методы
преобразования давления в электрический сигнал имеют очевидные принципиальные
ограничения по стабильности и устойчивости к перегрузкам:
) для ёмкостного метода – это остаточная
деформация и механическая усталость центральной мембраны «сердца» ёмкостного
чувствительного элемента;
) для тензорезисторного метода – это
нестабильность стеклянной подложки и дрейф сопротивления пленок, связанный с
диффузией примесей в материале.
Как следствие, производитель таких
преобразователей не нормировал погрешность прибора после односторонней перегрузки
по давлению. Кроме того – даже у самых лучших датчиков при нормировании
стабильности ставятся существенные ограничения по рабочим условиям (температуре
окружающей среды, давлению). В случае кремниевого резонатора DPHarp собственную
частоту определяют всего три параметра – масса, геометрические размеры и форма.
Масса резонатора измениться не может. Геометрические же размеры и форма также
жестко зафиксированы кристаллической решеткой – самой стабильной и упругой
структурой. Все выше сказанное в совокупности позволяет гарантировать
стабильность во всем диапазоне рабочих условий безо всяких условий, включая
перегрузки по давлению. На рисунке 4.5 показаны результаты испытаний на дрейф
нуля в течение 15 календарных лет.

Рисунок 4.2 – Результаты испытаний на дрейф нуля
За 15 лет ни один из испытуемых датчиков ни разу
не подстраивался и на них не корректировался ноль.
Еще одним преимуществом является устойчивость к
внешним воздействиям (температуре и статическому давлению). Для ёмкостных и
тензорезисторных чувствительных элементов это проблематичное направление:
у ёмкостных датчиков происходит дрейф нуля из-за
незаметного, но существенного для точных измерений, перекоса чувствительного
элемента (идеально симметричной конструкции не бывает);
в случае тензорезисторного чувствительного
элемента – это существенная зависимость сопротивления полупроводниковых пленок
от температуры и статического давления (естественно, большую зависимость
гораздо сложнее скомпенсировать).
У кремниевых резонаторов ситуация кардинально
лучше:
геометрические размеры в десятки и сотни тысяч
раз меньше подвержены влиянию температуры и статического давления, чем
электрические характеристики (сопротивление, ёмкость);
в чувствительном элементе используются не один,
а два идентичных резонатора, расположенных так, что они по-разному реагируют на
изменение перепада давления. Благодаря этому есть возможность разделить
«полезный» и паразитные вклады в сигнал (разница частот резонаторов
пропорциональна перепаду давления, а сумма частот статическому давлению с
поправкой по температуре). Таким образом, возможна сразу аппаратная компенсация
с одновременным получением дополнительной информации;
сопротивление тела резонатора является
индикатором температуры. Индивидуальные характеристики чувствительного элемента
записываются в память электроники, и в дальнейшем по температуре
чувствительного элемента происходит компенсация оставшихся влияний температуры
и статического давления.
«Кремниевый резонатор» называют цифровым чувствительным
элементом, так как в нем полностью отсутствует промежуточное аналого-цифровое
преобразование (деформация сразу преобразуется в частоту) в отличие от
ёмкостного и тензорезисторного датчиков, где промежуточный аналоговый параметр
обязательно присутствует (деформация – ёмкость – частота, деформация –
сопротивление – частота). Этот факт с чисто линейной зависимостью частоты от
давления дает большое преимущество «кремниевому резонатору», благодаря чему,
для достижения более высокой точности требуется только увеличить точность
калибровки, а перестройка шкалы не требует подстройки нуля и калибровки,
обязательных для ёмкостного и тензорезисторного датчиков [12].
На основе выявленных преимуществ датчика
избыточного давления «EJX430A» фирмы «Yokogawa» предлагается внедрение данного
прибора на ГРС «Энергия-1» Стерлитамакского ЛПУ МГ для более эффективного и
надежного функционирования станции.
.3 Алгоритм перехода ГРС на байпасный режим
В данном дипломном проекте предложена замена
датчиков избыточного давления «Метран-100-Вн-ДИ» на современные датчики
«EJX430A». Эти датчики, установленные на входе и выходе ГРС, выполняют функции
регулирования давления, контроля выхода давления за пределы заданных значений.
Со снижением приведенной погрешности, повышается реакция на обнаружение
неисправностей основных объектов ГРС, минимизируется время переключения ГРС на
байпасный режим.
Переключение ГРС на байпасный режим работы
производится в случаях неисправности основных объектов ГРС, что контролируется
датчиками избыточного давления «Метран-100-Вн-ДИ», замена которых предлагается.
Программа логического управления позволяет автоматически, при обнаружении
отклонений давлений от заданных параметров, переключаться на байпасный режим.
.3.1 Программирование задачи логического управления
При нормальном режиме работы ГРС газ поступает
через входные линии через открытую входную задвижку КШ 1. В это время задвижки
КШ 3, КШ 4 закрыты. Переключение на байпасный режим работы производится в
случаях неисправности основных объектов ГРС, что контролируется датчиками
избыточного давления (поз. РT7 и РT8).
При обнаружении отклонений давлений от заданных
оператором параметров, переключение ГРС на байпасную линию начинается с полного
открытия задвижки КШ 3. Далее на 10% приоткрывается регулирующая задвижка КШ 4
и, после того, как появляется давление в обводной линии, контролируемое
манометром РC27 и выдержки времени 30 секунд, полностью закрывается задвижка КШ
1. После этого необходимо регулирующей задвижкой КШ 4 выставить необходимое для
выхода линии значение давления, контролируемого датчиком давления РC27
(приоткрыть задвижку КШ 4 до момента достижения заданного давления PC27). После
этого выдается сигнал оператору о нормальном переключении на байпасную линию.
Если после выдержки времени 30 секунд, давление
в обводной линии не появляется, включается аварийная сигнализация, и
закрывается задвижка КШ 3.
На рисунке 4.3 приведена упрощенная схема ГРС.
, PT8 – позиции
датчиков избыточного давления; РС27 – позиция датчика давления; КШ – кран
шаровой.
Рисунок 4.3 – Упрощенная схема ГРС
.3.2 Перечень сигналов и построение графа
переходов
Работа начинается с создания проекта в ISaGRAF.
Перед тем, как ввести текст программы, необходимо объявить используемые в ней
переменные.
Среди переменных можно выделить следующие:
аналоговые;
логические;
таймерные.
Переменные могут быть входными, выходными и
внутренними. Аналоговые переменные могут быть целочисленными или вещественными
[13].
Список переменных, применяемых в программе для
данного проекта, приведен ниже.
Входные сигналы:Е1, PЕ2- обнаружено отклонение
давления на датчиках PT7, PT8;Е3 – давление на датчике PC27 достигло заданного
значения;- давление на РC27 равно 0;
Х1о / Х1зz-задвижка КШ1 полностью
открыта/закрыта;
Х3о / Х3z – задвижка КШ3 полностью
открыта/закрыта;
Х10pr – КШ4 открыта на 10 %;
Х4z – КШ4 полностью закрыта;сб – сброс аварии.
Выходные сигналы: о / U1зz – сигнал на
открытие/закрытие КШ1;о / U3z – сигнал на открытие/закрытие КШ3;о / U4зz-
сигнал на открытие/закрытие КШ4;ок – сигнал оператору о нормальном переходе на
байпасную линию;с – сигнал об аварии при переходе на байпасную линию;-таймер.
Значения задания для регулирования составляют
среднее между верхним и нижним предельными значениями для соответствующего
технологического параметра. Выработанный управляющий сигнал поступает на привод
регулирующего клапана.
Сигнализация осуществляется следующим образом.
Каждый технологический параметр сравнивается поочередно с верхней и нижней
уставками. Если параметр достиг верхней уставки, то вырабатывается
соответствующая сигнализация и производится переход к следующему параметру. Для
нижней уставки аналогично.
На рисунке 4.4 изображен граф переходов.
![]()

Рисунок 4.4 – Граф переходов
.3.3 Текст программы на языке ST
Текст программы автоматического переключения ГРС
на байпасный режим написан на языке ST, так как он наиболее приемлем как по
уровню, так и по синтаксису, и удобен для реализации сложных алгоритмов и
процедур.
Текст программы на языке ST приведен ниже:
CASE step of
: U1о:=
FALSE ;z:= FALSE ;о:=
FALSE ;z:= FALSE ;o:= FALSE ;z:= FALSE ;:= FALSE ;:= FALSE ;PE1 OR PE2 THEN
step:= 1; END IF;
: U3o:= TRUE;X3o THEN step:= 2;
END_IF;
: U3o:= FALSE;o:= TRUE ;x1pr THEN
step:= 3; END IF;
: U4o:=FALSE;:=t#0s;(T); step:=50;
: IF T>t#30s AND p30 THEN
step:=7; END IF;T>t#30s AND (not p30) THEN step:= 4; END_IF;
: U1z:= TRUE;(T) ;x1z THEN step:= 5;
END IF;
:U4o:=TRUE;z:=FALSE;
IF PE3 THEN step:= 6; END_IF;
: Uok:= TRUE;o:=FALSE;Ysb THEN
step:= 9; END IF;
: Ic:=TRUE;z:=TRUE;(T);X3z THEN
step:= 8; END_IF;
: U3z:= FALSE;Ysb THEN step:= 9; END
IF;
:
U1o:=TRUE;z:=TRUE;z:=TRUE;:=FALSE;:=FALSE;x1o AND x3z AND x4z THEN step:=0;
END_IF;
END_CASE;
Результаты работы программы.
Наблюдать за работой программы можно окне
«Simulator” с зелёными кнопками и красными светодиодами (рисунок 4.5).
Входные сигналы задаются с помощью кнопок, а изменение выходных отображается на
светодиодах.

а) отклонение давления на выходе (поз. РТ8)

б) сигнал на закрытие задвижки КШ1 после
появления давления в обводной линии

в) отсутствие давления в обводной линии после
выдержки времени
Рисунок 4.5 – Результаты работы программы
5. Охрана труда и техника безопасности
Как было отмечено ранее, темой данного
дипломного проекта является автоматизация ГРС «Энергия-1» Стерлитамакского ЛПУ
МГ для последующего перевода ее на периодическую форму обслуживания.
С целью обеспечения безопасности производства
при монтаже, эксплуатации и ремонте средств автоматизации ГРС, в данном разделе
дается характеристика производственной среды, проводится анализ производственных
опасностей и вредностей, рассматриваются мероприятия по безопасной эксплуатации
производственного оборудования.
Безопасность производства на данном объекте
должна соблюдаться при проведении всех видов работ, связанных с монтажом,
эксплуатацией и ремонтом средств автоматизации ГРС. Несоблюдение требований
безопасности производства может привести к производственным травмам,
отравлениям, а также к загрязнению окружающей среды.
.1 Анализ потенциальных опасностей и
производственных вредностей на ГРС
В процессе монтажа, эксплуатации, ремонта и
технического облуживания контрольно-измерительных приборов и средств
автоматизации обслуживающий персонал ГРС подвержен воздействию вредных и
опасных производственных факторов, к которым относятся:
наличие в транспортируемом природном газе
вредных и взрывопожароопасных веществ;
возникновение взрыва в случае проявления утечек
газа и скопления его в опасных концентрациях при неисправностях
технологического оборудования и авариях на ГРС;
возникновение взрыва и пожара в случае короткого
замыкания при неисправностях в электрооборудовании и электропроводке;
поражение электрическим током (U ≤ 1 кВ) в
результате соприкосновения с токоведущими частями из-за повреждения в изоляции
кабеля;
наличие давления в трубных проводках и технологическом
оборудовании (p ≤ 0,6 МПа), в которых эксплуатируются
контрольно-измерительные приборы и средства автоматизации;
получение механических травм при монтаже,
эксплуатации или ремонте средств автоматизации и технологического оборудования;
повышенная утомляемость, вызванная недостаточной
освещенностью рабочей зоны;
воздействие шума и вибрации как на оборудование
ГРС, так и на обслуживающий персонал.
Природный газ, проходящий через ГРС,
представляет собой смесь различных компонентов. Наибольшую часть этой смеси
обычно составляют предельные углеводороды – химические соединения углерода (С)
с водородом (H), формула которых в общем виде Сn И2n 2.
Обычно в природном газе содержится метан (СН4),
являющийся основным компонентом, этан (С2Н6, пропан (С3Н8), бутан (С4Н10),
кроме того, в природном газе может содержаться также водород (Н2), азот (N2),
углекислый газ (С02), сероводород (H2S), гелий (Не), аргон (Аг) и другие
газообразные компоненты. Основные взрывопожароопасные и токсические свойства
компонентов транспортируемого природного газа приведены в таблице 5.2.
Метан (СН4) – бесцветный нетоксичный газ без
запаха и вкуса, плотность его составляет 0,717 кг/м3. Метан образует с воздухом
взрывоопасные смеси, нижний предел взрываемости составляет 5 %, верхний – 15 %.
Содержание метана в природном газе может
достигать 98 %, поэтому его свойства практически полностью определяют свойства
природного газа, а выбросы природного газа в атмосферу условно представляют как
выбросы метана.
Характеристика помещений ГРС по взрывопожарной и
пожарной опасности приведена в таблице 5.1.
Таблица 5.1 – Взрывопожароопасные и
токсикологические свойства компонентов транспортируемого газа
Компонент | Агрегатное | Класс | Температура, | Концентрационный | Характеристика | Предельно | |||
вспышки | вспламенения | самовоспламенения | нижний | верхний | |||||
CH4 | г | 4 | – | – | 537 | 5,0 | 15,0 | Учащение | 300 |
C2H6 | г | 4 | – | – | 472 | 2,9 | 15,0 | 300 | |
C3H8 | г | 4 | – | – | 466 | 2,1 | 9,5 | 300 | |
Таблица 5.2 – Взрывопожарная и пожарная
опасность производственных зданий, помещений и наружных установок
Наименование | Категории | Классификация | |
Класс | Категория | ||
Блок | А | B-1a | IIA-T1 |
Блок | А | B-1a | IIA-T1 |
Расходомерная | А | B-1a | IIA-T1 |
Операторная | Д | – | – |
Из вышесказанного вытекает необходимость
принятия ряда мер по обеспечению безопасных и безвредных условий труда.
.2 Мероприятия по обеспечению безопасных и
безвредных условий труда на ГРС
.2.1 Мероприятия по технике безопасности
ГРС являются объектами повышенной
взрывопожароопасности, в процессе эксплуатации которых необходимо принимать
меры для создания безопасных условий груда.
Персонал, перед тем как приступить к работе,
должен пройти обучение и инструктаж по вопросам безопасности на рабочем месте.
И после сдачи экзаменов, в соответствии с Правилами безопасности в нефтяной и
газовой промышленности (ПБ-08-624-03), получает допуск к самостоятельной
работе.
Размеры помещений, в которых расположены
автоматизированные рабочие места операторов, должны соответствовать количеству
работающих и размещаемому в нем оборудованию. В них предусматриваются
соответствующие параметры температуры, освещения, обеспечивается шумоизоляция.
.2.1.1 Мероприятия по электробезопасности. Для
обеспечения безопасной работы в процессе монтажа, эксплуатации, ремонта и
технического обслуживания контрольно-измерительных приборов и средств
автоматизации предусматривается следующее:
применение малых напряжений для питания
переносных электроинструментов и светильников, изолирование токоведущих частей
во избежание поражения электрическим током;
аппаратная защита вспомогательного оборудования,
электродвигателей, аппаратов управления от короткого замыкания и перегрузок;
защита всех внешних частей устройств,
находящихся под напряжением по отношению к корпусу или общей шине питания от
случайных прикосновений персонала;
заземление электрооборудования подключением его
к существующему контуру заземления для защиты обслуживающего персонала от
поражения электрическим током;
молниезащита зданий ГРС и защита оборудования и
трубопроводов от вторичных проявлений молний согласно СО
153-34.21.122-2003[16];
применение антистатических полов в помещениях
ГРС во избежание возникновения статического электричества, при этом допустимые
уровни электростатических полей, в соответствии с ГОСТ 12.1.045-84[17], не
должны превышать 20 кВ/м.
.2.1.2 Мероприятия по взрывобезопасности.
Вследствие возможных утечек газа при монтаже, эксплуатации, ремонте и
техническом обслуживании контрольно-измерительных приборов и средств
автоматизации ГРС существует опасность взрыва. Для предотвращения взрыва и его
последствий предусматривается следующее:
применение технологического оборудования,
арматуры и трубопроводов, соответствующих рабочим параметрам среды и
обеспечивающих безопасную эксплуатацию объекта;
использование вспомогательного оборудования,
электродвигателей, имеющих степень защиты, соответствующую классу зоны, в
которой они применяются;
использование во взрывоопасной зоне
электрического оборудования соответствующего исполнения в соответствии с ГОСТ
12.2.020-76 [18].
предварительная продувка регулирующей и запорной
арматуры и технологических элементов перед ремонтно-техническим обслуживанием;
установка сигнализаторов довзрывоопасных
концентраций природного газа в помещениях ГРС;
использование искробезопасного инструмента;
для поддержания пожаробезопасного режима
эксплуатации ГРС здания, помещения и сооружения классифицируют по
взрывопожарной опасности;
при остановке аппаратов на ремонт остатки
конденсата сливают в подземную емкость для сбора конденсат, а газ стравливают
на свечу;
все производственные помещения категории А
отделяют от помещений невзрывоопасных категорий огнестойкими стенами.
.2.2 Мероприятия по промышленной санитарии.
На ГРС в процессе монтажа, эксплуатации, ремонта
и технического обслуживания контрольно-измерительных приборов и средств
автоматизации присутствуют вредные производственные факторы (возможные утечки
газа, шум). Для обеспечения высокой работоспособности на протяжении всего
рабочего времени необходимо создать условия труда соответствующие санитарным
нормам, спланировать рабочее место в соответствии с требованиями удобства
выполнения работы и экономии энергии и времени.
Для предупреждения от загрязнения кожи и органов
дыхания эксплуатационный персонал нужно обеспечить соответствующей спецодеждой:
рукавицами, обувью, шланговыми и изолирующими
противогазами.
В каждом помещении ГРС предусмотрено рабочее и
аварийное освещение. Напряжение сети рабочего и аварийного освещения равно 220
В. Для аварийного и рабочего освещения предусмотрены светильники ВЗГ-200
(взрывозащищенное исполнение, Е = 50 лк). Естественное освещение предусмотрено
через оконные панели. Для повышения освещенности оборудование окрашено в
светлые тона, ожесточен контроль за своевременной заменой вышедших из строя
ламп освещения.
Для снятия статического электричества
предусмотрено заземление всех не токоведущих частей вторичных электрических
приборов, а также оборудования в цехе.
Для ограничения воздействия шума и вибрации на
персонал при монтаже, эксплуатации, ремонте контрольно-измерительных приборов
применяются дополнительные средства по звукоизоляции аппаратов и оборудования
цеха.
На рабочем месте оператора (в операторной ГРС)
находятся в необходимом количестве дежурные противогазы, диэлектрические
перчатки, резиновые коврики и медицинская аптечка. Кроме того, при проверке на
загазованность и работе в местах возможного скопления газа обслуживающий
персонал обеспечивается шланговыми противогазами «ПШ1» или «ПШ2».
Для данного типа производства оптимальные
значения параметров микроклимата в помещении операторной ГРС следующие:
температура воздуха в холодный период года 21-23
°С, в теплый период года 22-24 °С;
относительная влажность воздуха 40-60%;
скорость движения воздуха ОД м/с;
естественное освещение должно осуществляться
через световые проемы, ориентированные преимущественно на север или
северо-восток и обеспечивающие коэффициент естественной освещенности не ниже
1,2 %.
Отклонение отдельных параметров микроклимата от
рекомендованных значений снижает работоспособность, ухудшает самочувствие и
может привести к профессиональным заболеваниям.
В зависимости от энергозатрат организма следует
помнить, что в теплый период года среднесуточная температура наружного воздуха
составляет 10 °С и выше, в холодный период года среднесуточная температура
наружного воздуха составляет -10 °С и ниже. Оптимальная относительная влажность
колеблется в пределах 40-60%.
Для обеспечения оптимальных условий микроклимата
в холодное время года применяют систему центрального отопления, а в теплое
время года -кондиционеры.
В холодный период года подачу подогретого
воздуха следует предусматривать в верхнюю зону помещений, и при необходимости,
в коридор для возмещения объема воздуха, удаляемого из помещения, воздухообмен
в которых установлен по вытяжке. В теплый период года в помещениях следует
предусматривать естественное поступление наружного воздуха через окно.
В производственных помещениях с объемом на
одного работающего менее 20 м3 следует проектировать подачу наружного воздуха в
количестве не менее 30 м3/ч на каждого работающего, а в помещениях с объемом на
каждого работающего более 20 м3 – не менее 10 м3/ч.
.2.3 Мероприятия по пожарной безопасности
Электрооборудование для взрывопожарных объектов
должно быть взрывозащищенным по ГОСТ 12.2.020-96 [20]. Все
контрольно-измерительные приборы имеют взрывобезопасный уровень взрывозащиты,
вид взрывозащиты «взрывонепроницаемая оболочка», соответствующую маркировку по
ГОСТ 12.2.020-96 и предназначены для применения во взрывоопасных зонах.
Взрывонепроницаемая оболочка, в которую занесены электрические части,
выдерживает давление взрыва и снижает передачу взрыва в окружающую
взрывопожароопасную среду.
Строго запрещается пользоваться открытым огнем
на пожарных объектах.
Ремонт электропроводок, электрооборудования, а
также замену электроламп в светильниках следует проводить только при снятом
напряжении при наличии наряда-допуска. Одновременно должны вывешиваться на
устройства предупреждающие плакаты о том, что линия или участок обесточен и на
нем ведутся ремонтные работы.
Контроль загазованности воздуха углеводородами в
производственных помещениях ГРС производится сигнализатором загазованности
СГОЭС.
Все помещения ГРС оборудованы системами
автоматического пожаротушения и пожарной сигнализации. При возникновении пожара
сигнал от пожарных датчиков, приводит в действие систему пожаротушения согласно
ГОСТ 12.3.046-03. Электрический импульс поступает к пиропатронам клапанов
соответствующих распределительных устройств и одновременно к пиропатронам
головок баллонов с огнегасящим веществом, открывая их. Углекислый газ из
баллонов выходит в коллектор, далее по трубопроводу поступает в помещение и
распределяется насадками, установленными над оборудованием.
.3 Расчет молниезащиты ГРС
Нормами СО 153-34.21.122-2003 предусмотрено
разделение объектов на обычные и специальные. К обычным объектам относят жилые
и административные строения, а также здания и сооружения высотой не более 60 м,
предназначенные для торговли, промышленного производства, сельского хозяйства.
К специальным объектам относят объекты,
представляющие опасность для непосредственного окружения, для социальной и
физической окружающей среды и прочие, для которых может предусматриваться молниезащита.
ГРС относят к группе специальных объектов с
минимально допустимым уровнем надежности защиты от прямого удара молнии 0,99.
Для ее защиты необходимо использовать двойной стержневой молниеотвод. При этом
внешние области соответствуют областям одиночного молниеотвода.
Стандартной зоной защиты одиночного стержневого
молниеотвода высотой h является круговой конус высотой h0 < h, вершина
которого совпадает с вертикальной осью молниеотвода. Габариты зоны определяются
высотой конуса h0 и радиусом конуса на уровне земли г0.
Внешние области зоны защиты двойного стержневого
молниеотвода высотой до 30 м и надежностью защиты 0,99 имеют следующие
габаритные размеры:
= 0,8 • h; (5.1)
г0 = 0,8 • h. (5.2)
Размеры внутренних областей определяются
параметрами h0 и hc, первый из которых задает максимальную высоту зоны
непосредственно у молниеотводов, а второй – минимальную высоту зоны посередине
между молниеотводами. При расстоянии между молниеотводами Lc < L < Lmax
высоту границы зоны hc определяют по выражению
, (5.3)
где Lmax = 4,75 • h – предельное
расстояние между молниеотводами;
Lc = 2,25 • h – предельное
расстояние до прогиба.
Расстояние между молниеотводами L
< Lc, следовательно граница зоны не имеет провеса, т.е. hc = h0. Исходя из
этого, полуширина горизонтального сечения в центре между молниеотводами rсх на
высоте hx соответствует полуширине зоны rx горизонтальном сечении на этой же
высоте.
Размеры горизонтальных сечений зоны
вычисляют по следующим формулам:
максимальная полуширина зоны гх в
горизонтальном сечении на высоте hx:
; (5.4)
полуширина горизонтального сечения в
центре между молниеотводами гсх на высоте hx < hc:
. (5.5)
Подставив (5.1) и (5.2) в формулу
(5.4) и выразив h, получим формулу для расчета высоты молниеотводов:
. (5.6)
Чтобы защитить ГРС от прямого удара
молнии, необходимо, чтобы горизонтальное сечение зоны защиты на высоте hx = 9 м
имело полуширину rx=11м. Таким образом, минимальная высота молниеотводов:
м
В таблице 5.3 представлены
результаты расчета габаритных размеров зоны защиты ГРС.
Таблица 5.3 – Габаритные размеры
зоны защиты ГРС
Параметр | Значение, |
Высота | 25 |
Расстояние | 37 |
Предельное | 118,75 |
Предельное | 56,25 |
Высота | 20 |
Полуширина | 20 |
Высота | 9 |
Зона защиты ГРС, соответствующая рассчитанным
параметрам, показана на рисунке 5.1.

Рисунок 5.1 – Зона защиты ГРС
6. Оценка экономической эффективности
модернизации системы автоматизации ГРС «Энергия-1»
.1 Критерии оценки экономической эффективности
Экономический эффект от модернизации средств КИП
и А рассчитывается по разнице стоимостных результатов Вi и затрат на их
достижение Зi.
Расчет экономического эффекта произведем с
приведением разновременных затрат и результатов к единому расчетному году.
В качестве начального года расчетного периода
принимается год начала финансирования работ по осуществлению замены старого
оборудования на новое.
Для оценки эффективности инвестиционных проектов
применяются методы дисконтированной оценки, которые базируются на учете
временного фактора. Они учитывают временной фактор с позиции стоимости денег в
будущем.
Для оценки используются следующие показатели
экономической эффективности ЧДД, ИД, ВНД, СО.
1) ЧДД – заключается в оценке чистого дохода за
определенный промежуток времени. Он определяется как сумма текущих эффектов за
весь расчетный период.
На практике часто пользуются следующей формулой
для определения ЧДД:
ЧДД=S(Вt-Зt)/(1 Е)t,
(6.1)
где Вt – результаты, достигаемые на t-ом шаге
расхода;
Зt – затраты, осуществляемые на этом же шаге;
Е – величина дисконта;
t -год, затраты и результаты которого приводятся
к расчетному.
Если ЧДД инвестиционного проекта положителен,
проект является эффективным (при данной норме дисконта). Если ЧДД равен нулю –
проект не прибыльный и не убыточный. Если ЧДД отрицательный – то проект
отвергается. Чем больше ЧДД, тем выгоднее проект;
) ИД дисконтированных инвестиций – отношение
суммы дисконтированных элементов денежного потока от операционной деятельности
к абсолютной величине дисконтированной суммы элементов денежного потока от
инвестиционной деятельности. ИД равен увеличенному на единицу отношению ЧДД к
накопленному дисконтированному объему инвестиций.
Формула для определения ИД имеет следующий вид:
, (6.2)
Если ИД > 1 – проект эффективен;
ИД < 1 – проект неэффективен.
В отличие от ЧДД, ИД является
относительным показателем, что позволяет осуществлять выбор одного проекта из
ряда альтернативных, имеющих приблизительно одинаковое значение ЧДД;
) ВНД – это такое положительное
число Ев, что при норме дисконта Е=Ев ЧДД проекта обращается в 0, при всех
больших значениях Е – отрицательна, при всех меньших значениях Е –
положительна. Если не выполнено хотя бы одно из этих условий, считается, что
ВНД не существует.
ВНД определяется из равенства:
(6.3)
Величина ВНД, найденная из этого
равенства, сравнивается с заданной инвестором величиной дохода на капитал Ен.
Если Евн ≥ Ен – проект эффективен. Смысл расчета этого коэффициента при
анализе эффективности планируемых инвестиций заключается в следующем: ВНД
показывает максимально допустимый относительный уровень расходов при реализации
проекта. Например, если проект полностью финансируется за счет ссуды
коммерческого банка, то значение ВНД показывает верхнюю границу допустимого
уровня банковской процентной ставки, превышение которой делает проект
убыточным.
) СО означает период времени, в
течение которого инвестиции будут возвращены за счет доходов, полученных от
реализации проекта.
Эти критерии эффективности тесно
связаны между собой, т.е. если проект эффективен по одному показателю, то он,
как правило, будет эффективен и по другим показателям [19].
.2 Обоснование коммерческой
эффективности проекта
.2.1 Характеристика объекта
внедрения
Как уже отмечалось выше,
газораспределительная станция «Энергия-1» предназначена для снабжения газом от
магистральных газопроводов населенных пунктов, промышленных и бытовых
предприятий и других крупных потребителей. Подавать газ потребителю требуется в
заданном количестве и под определенным давлением, с необходимой степенью
очистки, подогрева и одоризации газа (при необходимости). Система управления
должна быть достаточно сложной, чтобы учесть все разнообразие статических и
динамических характеристик станции.
На данный момент стоит задача
повышения надежности эксплуатации, эффективности использования технологического
оборудования, т.е. уменьшение числа аварий и ремонтов за счет точного
соблюдения технологических режимов и уменьшение простоев оборудования.
Необходимость замены старого
оборудования вызвана:
ее моральным износом;
не достаточной надежностью;
снятием старого датчика давления
«Метран-100-Вн-ДИ» с производства.
Внедрение более совершенных средств
измерения, контроля и регулирования позволит повысить эффективность контроля и
регулирования параметров технологического объекта, повысит надежность
функционирования ГРС «Энергия-1».
К достоинствам выбранного датчика
избыточного давления «EJX 430A» фирмы «Yokogawa» можно отнести то, что эти
датчики более компактны – имеют меньший вес и размеры. Значительно повышена
скорость реакции датчика на изменение давления. Имеют более высокую точность и
стабильность (погрешность – 0,04% от шкалы, стабильность – 0,1 % от верхнего
предела измерения в течение 10 лет).
Таким образом, можно определить
экономическую эффективность от внедрения данного прибора.
.2.2 Расчёт производственной
программы ГРС.
Исходные данные приведены в таблице
6.1.
Таблица 6.1 – Исходные данные
Показатели | Единицы |
Часовая | 40000 |
Коэффициент | 0,85 |
Норматив | 0,15 |
В производственной программе ГРС рассчитывается
объем поступающего газа, потери газа при транспортировке и объем товарного
газа.
Объем поступающего газа в год, Qпост, м3:
, (6.4)
где Qчас- часовая производительность
ГРС, м3
Т – календарное время (24∙365=8760
час.)
Кн – коэффициент неравномерности
потребления газа
пост = 40000 · 8760 · 0,85 =
297840000 м3
Потери газа при транспортировке:
, (6.5)
.
Объем товарного газа:
тов = Qпост – Qпот, (6.6) тов =
297840000 – 446760 = 297393240 м3.
.2.3 Расчёт показателей по труду
Тарифно-квалификационная расстановка
слесарей по обслуживанию ГРС представлена в таблице 6.2.
Таблица 6.2 –
Тарифно-квалификационная расстановка слесарей по обслуживанию ГРС
Наименование | Разряд | Месячная | Численность, |
Слесарь | IV | 9100 | 2 |
Дополнительные данные для расчёта фонда оплаты
труда представлены в таблице 6.3.
Таблица 6. 3 – Дополнительные данные для расчёта
фонда оплаты труда
Показатели | Значение |
Норматив | 60 |
Средний | 15 |
Количество | 11 |
Районный | 1 |
К показателям по труду относятся фонд оплаты
труда, среднемесячная зарплата, производительность труда.
Плановый фонд оплаты труда:
ФОТплан = Зосн Здоп, (6.7)
где Зосн – основная зарплата рабочих, руб;
Здоп – дополнительная зарплата рабочих, руб.
Основная зарплата рабочих:
Зосн = Зтар Дпрем Дпразд Дст, (6.8)
где Зтар – зарплата по тарифу, руб.;
Дпрем- премиальная доплата, руб.;
Дпразд – доплата за работу в праздничные дни,
руб.;
Дст – доплата за стаж работы в газовой
промышленности, руб.
Зарплата по тарифу:
, (6.9)
где О – оклад слесаря, руб.-
численность слесарей, чел.;
– число рабочих месяцев в году. ![]()
Исходя из данных получим:
Зтар=(9100∙2) ∙ 11= 200200 руб.
Премиальная доплата:
, (6.10)
где Н – норматив премии, %.
руб.
Доплата за работу в праздничные дни:
Дпразд = n K Зср , (6.11)
где Зср – среднедневная зарплата,
руб.;
К – количество праздничных дней в
году;- численность работающих в праздничные дни, чел.
Среднедневная зарплата:
, (6.12)
где О – оклад слесаря, руб.,
– число рабочих дней в месяце.
руб,
тогда Дпразд = 1 ∙ 11 ∙
413,27 = 4545,97 руб.
Доплата за стаж работы в газовой
промышленности:
, (6.13)
где Н – норматив доплаты, 12 %;
руб,
Зосн =200200 120220 80520 24024
= 424864 руб.
Дополнительная заработная плата:
Здоп =
, (6.14)
Здоп =
= 42486,4
руб,
ФОТплан = 272404 27240,4 =
299644,4 руб
Среднемесячная зарплата одного
слесаря с учетом отчислений:
Зср.мес =
, (6.15)
где n – численность слесарей, чел.;
Нзп – начисления на заработную плату
30% от фонда оплаты труда.
Зср.мес =
= 16230,74
руб.
Производительность труда на ГРС
характеризуется выработкой, т.е. количеством транспортируемого газа одним
рабочим.
В =
, (6.16)
где В – выработка, м3/чел;пост –
объем поступающего газа, м3/год;- число слесарей ГРС, чел.
В =
= 74460000 м3/чел.
.2.4 Расчёт экономического эффекта
от внедрения датчика избыточного давления EJX430A фирмы «Yokogawa»
В качестве базового варианта
рассматривается датчик избыточного давления «Метран-100-Вн-ДИ», применяемый на
газораспределительной станции «Энергия-1» Стерлитамакского ЛПУ МГ и возможность
внедрения более современного датчика избыточного давления «EJX430A».
Сравнительная характеристика приведена в таблице 6.4
Таблица 6.4 – Сравнительная оценка
технического уровня
Показатели | «Метран-100-Вн-ДИ» | «EJX430A» |
Основная | ±0,15 | ±0,04 |
Стоимость, | 15 | 16 |
Минимальное | 100 | 95 |
Готовность | 100 | 100 |
Надёжность | Низкая | Стойкость |
Диапазон | от | от |
Исходными данными для расчёта экономической
эффективности при переходе от датчика избыточного давления «Метран-100-Вн-ДИ» к
датчику избыточного давления «EJX430A» являются погрешности и годовой объём
транспортируемого через ГРС газа. Оценка может быть дана по следующему
критерию: датчик давления «EJX430A» является более точным, чем
«Метран-100-Вн-ДИ», тем самым повышается эффективность функционирования ГРС
«Энергия-1».
Исходные данные оценки капитальных затрат
показаны в таблице 6.5
Таблица 6.5 – Сравнительная оценка капитальных
затрат
Перечень | Величина | Изменения | Обоснование | |
базовый | проектируемый | |||
Объём | 2 | 1 | – | План |
Объём | 297840000 | – | Показатель | |
Цена | 2111 | 2111 | – | Показатель |
Основная | 0,15 | 0,04 | – | Паспортные |
Стоимость | 15 | 16520 | 920 | Показатель |
Стоимость | 1800 | 2200 | 420 | Прайс-лист |
Государственная | 480 | 480 | 0 | Прайс-лист |
Отраслевой | 0,15 | 0,15 | – | Действующее |
Всего | 17400 | 18720 | 1320 | |
.2.5 Расчет изменяющихся текущих затрат за год
Себестоимость транспорта (распределения) газа
складывается из затрат на материалы, на потери газа, на электроэнергию.
Затраты на материалы:
мат = Qпост ∙ Н ∙ Ц, (6.17)
где Qпост – объем поступающего газа, м3;
Н – норма расхода материалов, г;
Ц – цена единицы материалов, руб.
В качестве материалов на ГРС используются одорант,
метанол.
затраты на одорант:
одор=297840000 ∙ 0,016 ∙ 0,0482 =
229694,21 руб,
затраты на метанол:
мет= 297840000 ∙ 0,004 ∙ 0,0168 =
20014,85 руб;
затраты на потери газа:
Sпот =
, (6.18)
где Qпот – объем потерь газа, м3;
Ц – цена 1000 м3 газа, руб;- класс
точности базового прибора.
Sпот. баз =
= 141466,55
руб,пот.проек =
= 37724,42
руб;
затраты на электроэнергию:
эл =
, (6.19)
где N – суммарная мощность
электрооборудования, кВт;
Т – календарное время, час., Т- 8700
час.
Ц – цена 1кВт∙часа
потребляемой электроэнергии, руб.эл = 2,2 ∙ 8700 ∙ 2,5 = 47850 руб.
Всего материальных затрат:
= Sодор Sмет Sпот Sэл ,
(6.20)баз = 229694,21 20014,85 141466,55 47850= 439025,61 руб, проек =
229694,21 20014,85 37724,42 47850=335283,48 руб.
Средства на оплату труда:
Плановый фонд оплаты труда:ФОТплан =
299644,4 руб.
Всего средств на оплату труда с
отчислениями:
= SФОТплан Нзп
=299644,4 89893,3=389537,7 руб.
Амортизация основных фондов:
ар = Sа ∙ Ка, (6.21)
где Sар – сумма арендной платы за
пользование основными фондами, руб.;а – сумма амортизационных отчислений, руб.;
Ка – арендный коэффициент.
Амортизация основных фондов:
а =
, (6.22)
где БС – балансовая стоимость
основных фондов, руб.;
Н – норма амортизации, %.
Расчет суммы амортизационных
отчислений приведены в таблице 6.6
Таблица 6.6 – Расчет суммы
амортизационных отчислений
Наименование | Балансовая | Норма | Сумма |
Базовая | 15 | 10 | 1560 |
Проектируемая | 16520 | 10 | 1652 |
баз= 1560 руб,проек= 1652 руб.
Плата за землю:
зем = П ∙ Ц , (6.23)
где П – площадь ГРС в ограждении, м2
Ц – ставка платы за 1 м2, руб.
зем = 1200 ∙ 0,4 = 480 руб.
Другие расходы:
Sдр =
, (6.24)
Sдр =
= 149822,20 руб.
Всего прочих затрат:
S4 = Sрем
Sзем
Sдр
, (6.25)баз
= 234 480 149822,20=150536,1 руб.
S4проек
=247,83 480 149822,20=150550,0 руб.
Сумма эксплуатационных расходов:
S = S1 S2
S3 S4 , (6.26)баз=
438985,6 389537,7 1560 150360,0=97994,6 руб.
Sпроек= 335243,3 389537,7 1652
150550,0=87632,2 руб.
Таблица 6.7 – Сравнительная оценка
годовых затрат
Перечень | Величина | Изменения | |
базовый | проектируемый | ||
Материальные | | | |
Всего | 439025,61 | 335283,48 | – |
Плановый | 389537,7 | 389537,7 | 0 |
Амортизация | 1560 | 1652 | |
Прочие | 234 | 247,83 | |
Всего | 714 | 727,83 | 13,83 |
Другие | 149822,2 | 149822,2 | 0 |
Всего: | 979994,6 | 876322,2 | -103672,4 |
.2.5 Расчёт доходности проекта
Ежегодный ожидаемый доход составил 103672,4 руб.
Исходные данные для оценки доходности проекта
представлены в таблице 6.8.
Таблица 6.8- Исходные данные для расчета
экономического эффекта
Наименование | Величина |
Капитальные | 18720 |
Эксплуатационные | 2680 |
Амортизация, | 1872 |
Экономия | 1320 |
Ставка | 13 |
Величина | 10 |
При расчете экономической эффективности
инвестиционного проекта расчетный период Т складывается из времени внедрения
объекта в производство, которое принимается равным одному году, и времени
эксплуатации объекта, которое составляет 10 лет. Результаты расчета налога на
имущества заносим в таблицу 6.9.
Проводим расчеты экономической эффективности
проекта для всех расчетных годов по приведённым формулам, а результаты
вычислений заносим в таблицу 6.10. Коэффициенты дисконтирования рассчитываем
исходя из стоимости капитала для предприятия равной 2%.
По результатам расчета экономической
эффективности построим финансовый профиль инвестиционного проекта для
определения срока окупаемости (рисунок 6.1). Срок окупаемости составляет 1,5
года.
Таблица 6.9 – Налог на имущество
Год | ||||||||||
Показатель | 1 | 2 | 3 | 4 | 5 | 6 | 7 | 8 | 9 | 10 |
Стоимость | 18720 | 16848 | 14976 | 13104 | 11232 | 9360 | 7488 | 5616 | 3744 | 1872 |
Амортизационные | 1872 | 1872 | 1872 | 1872 | 1872 | 1872 | 1872 | 1872 | 1872 | 1872 |
Стоимость | 16848 | 14976 | 13104 | 11232 | 9360 | 7488 | 5616 | 3744 | 1872 | 0 |
Среднегодовая | 17784 | 15912 | 14040 | 12168 | 10296 | 8424 | 6552 | 4680 | 2808 | 936 |
Налог | 355,68 | 318,24 | 280,8 | 243,36 | 205,92 | 168,48 | 131,04 | 93,6 | 56,16 | 18,72 |
Таблица 6.10 – Расчет эффективности проекта
№ | Показатель | 0 | 1 | 2 | 3 | 4 | 5 | 6 | 7 | 8 | 9 | 10 |
1 | Капитальные | 18,72 | ||||||||||
2 | Выгоды, | 103,67 | 103,67 | 103,67 | 103,67 | 103,67 | 103,67 | 103,67 | 103,67 | 103,67 | 103,67 | |
3 | Эксплуатационные | 87,63 | 87,63 | 87,63 | 87,63 | 87,63 | 87,63 | 87,63 | 87,63 | 87,63 | 87,63 | |
4 | в | 1872 | 1872 | 1872 | 1872 | 1872 | 1872 | 1872 | 1872 | 1872 | 1872 | |
5 | Налог | 355,68 | 318,24 | 280,8 | 243,36 | 205,92 | 168,48 | 131,04 | 93,6 | 56,16 | 18,72 | |
6 | Валовая | 15,68 | 15,72 | 15,76 | 15,80 | 15,83 | 15,87 | 15,91 | 15,95 | 15,98 | 16,02 | |
7 | Налог | 3144,39 | 3151,88 | 3159,37 | 3166,86 | 3174,34 | 3181,83 | 3189,32 | 3196,81 | 3204,30 | ||
8 | Чистый | 17556,5 | 14449,57 | 14479,52 | 14509,47 | 14539,42 | 14569,38 | 14599,33 | 14629,28 | 14659,23 | 14689,18 | |
9 | Сальдо | 19,43 | 16,32 | 16,35 | 16,38 | 16,41 | 16,44 | 16,47 | 16,50 | 16,53 | 14,69 | |
10 | Сальдо | -18,72 | ||||||||||
11 | Сальдо | -18,72 | 19,43 | 16,32 | 16,35 | 16,38 | 16,41 | 16,44 | 16,47 | 16,50 | 16,53 | 14,69 |
12 | Коэффициент | 1 | 0,88 | 0,78 | 0,69 | 0,61 | 0,54 | 0,48 | 0,43 | 0,38 | 0,33 | 0,29 |
13 | Чистые | -18,72 | 17,10 | 12,73 | 11,28 | 9,99 | 8,86 | 7,89 | 7,08 | 6,27 | 5,46 | 4,26 |
14 | Чистые | -18,72 | -1,62 | 11,11 | 22,39 | 32,38 | 41,25 | 49,14 | 56,22 | 62,49 | 67,95 | 72,21 |

Рисунок 6.1 – Финансовый профиль проекта
На рисунке 6.2 представлено изменение денежных
потоков наличности.

Рисунок 6.2 – Изменение денежных потоков
наличности
На рисунке 6.3 показан график определения
внутренней нормы доходности (ВНД).

Рисунок 6.3 – Определение внутренней нормы
доходности
Такие обобщающие показатели, как чистые денежные
поступления, срок окупаемости инвестиции, внутренняя норма доходности получают
с помощью финансового профиля проекта наглядную графическую интерпретацию
Таблица 6.11 – Эффективность проекта
Показатель | Значение |
1. | 18720 |
2. | 10 |
3. | 103672,4 |
4. | 13 |
5. | 72205,52 |
6. | 4,53 |
7. | 90% |
8. | 1,5 |
В результате внедрения современного датчика
избыточного давления «EJX430A» получен годовой экономический эффект в сумме
103673,06 руб., что позволит окупить затраты на внедрение за 1,5 года.
Исходя из этого, можно сделать вывод, что
внедрение датчика давления избыточного давления «EJX430A» экономически выгодно.
Заключение
В данном проекте был проведен анализ
технического оснащения ГРС «Энергия-1» Стеритамакского ЛПУ МГ системами
автоматизации и техническими средствами автоматики. Система автоматического
управления обеспечивают качественное управление работой ГРС во всех его
режимах, а также управление технологическим оборудованием.
В процессе решения задач данного дипломного
проекта был рассмотрен технологический объект и параметры этого объекта,
которые подлежат контролю; исследована существующая система автоматизации ГРС
«Энергия-1»; изучены теоретические основы различных методов преобразования
давления. Cоставлен алгоритм переключения ГРС на байпасный режим.
Был произведен анализ датчиков избыточного
давления, и на основе сводной таблицы основных характеристик предложен
оптимальный вариант с точки зрения рассматриваемых параметров: низкая
приведенная погрешность измерения, сравнительно небольшая стоимость, высокая
надежность работы прибора. Диапазоны измерений давления и температуры
удовлетворяют условиям эксплуатации ГРС.
Выявленные преимущества датчика давления
«EJX430А» доказали целесообразное внедрение этого прибора на ГРС «Энергия-1».
Рассмотрен алгоритм автоматического переключения
газораспределительной станции на байпасный режим, для которого была создана
программа в инструментальной среде ISaGRAF на языке ST.
Данное предложение повысит эффективность
контроля и регулирования параметров технологического объекта, обеспечит
надежность и эффективность функционирования ГРС.
Список использованных источников
Автоматизированные
газораспределительные станции: [Электронный ресурс] –
http://www.sargazav.ru/URL
Газораспределительные
станции «Энергия»: [Электронный ресурс] – http://promsouz.com/URL
Положение
по технической эксплуатации ГРС магистральных газопроводов. ВРД 39-1.10-005-2000,
Москва, 2000. – 64 С.
Комплекс
программно-технических средств для автоматизации ГРС. ТУ 42 5270-003-17294661-
2005, Москва, 2005. – 22 С.
Правила
безопасности систем газораспределения и газопотребления. ПБ 12-529-03, Москва,
2003. – С. 6-8.
6
Информационно-измерительный комплекс «Магистраль-2»: [Электронный ресурс] –
<http://gpa.ru>/URL
Зацерклянный,
О.В. Интеллектуальные датчики давления с элементами управления // Датчики и
системы. – 2008. – № 11. – С. 19-20.
Интеллектуальные
датчики давления «Метран-100»// Каталог Emerson Датчики давления. [Электронный
ресурс]. – Электрон. журн. – 2022. – № 9. – <http://www.metran.ru/>/URL
Преобразователи
давления Сапфир-22ДИ [Электронный ресурс] – http://www.rizur.ru/URL
Датчики
давления «Rosemount 3051s» [Электронный ресурс] – url:
<http://suer.ru/catalog/datchiki davlenija/rosemount 3051s super module>
Каталог
датчиков давления «Yokogawa» [Электронный ресурс] –
<http://www.forus.spb.ru/catalogue/13>/URL
Кравченко,
В.Н. DPHarp – современные технологии в измерения давления, расхода и уровня //
Законодательная и прикладная метрология. – 2006.- №3.- С.33-36
Шамашов,
М. А. Инструментальная система программирования логических контроллеров ISaGRAF
// Самара: Самарский муниципальный комплекс непрерывного образования. – Учебное
пособие. – 1996. – 156 с.
«Правила
безопасности в нефтяной и газовой промышленности» ПБ 08-624-03 -[Электронный
ресурс] – http://www.complexdoc.ru/URL
«Смеси
взрывоопасные. Классификация и методы испытаний» ГОСТ 12.1.011-78* –
[Электронный ресурс] – http://www.fireman.ru/URL
«Инструкция
по устройству молниезащиты зданий, сооружений и промышленных коммуникаций» СО
153-34.21.122-2003 – [Электронный ресурс] – http://www.elec.ru/URL
«Электростатические
поля. Допустимые уровни на рабочих местах и требования к проведению контроля»
ГОСТ 12.1.045-84 – [Электронный ресурс] – http://www.vrednost.ru/URL
«Термины
и определения. Классификация. Маркировка» ГОСТ 12.2.020-76* – [Электронный
ресурс] – http://www.tehlit.ru/URL
Михайлова,
Э. А. Экономическая оценка инвестиций / Э. А. Михайлова, Л.Н. Орлова. –
Рыбинск: РГАТА, 2008. – 57 с.
Разработка асу котельной
В результате внедрения автоматизированной системы управления тепловыми сетями должны решаться следующие цели:
– непрерывный контроль функционирования основного оборудования котельной и тепловых сетей (подсистема управления котлоагрегатом являться элементом системы управления и мониторинга котельной и всей системы теплоснабжения в целом);
– дистанционное управление элементами сети с целью локализации аварийных ситуаций или в других обоснованных случаях;
– дистанционное централизованное изменение режимов функционирования всех элементов тепловых сетей;
– децентрализованное прямое цифровое управление основными элементами котельной с целью оптимального производства, транспортировки и распределения тепловой энергии, а также организации объективного первичного технического и коммерческого учета энергии и теплоносителя.
Учитывая масштабы и топологию объекта управления (тепловые сети), а также сложившуюся организационную структуру предприятия система управления создается по двухзвенной схеме: теплоисточник – ЦТП (ИТП). Разрабатываемая система компонуется на базе промышленных компьютеров, которые соответствуют международному стандарту качества ISO 9001 Использование этих средств позволяет реализовывать управляющие алгоритмы любой степени сложности, решать задачи прогнозирования и прямого цифрового управления энергонасыщенными объектами (регуляторы, технологические блокировки, программно-логическое управление, сигнализация, протоколирование всех событий на объекте и пр).
Подсистемы управления рассчитаны на автоматическую работу по уставкам, полученным от верхнего уровня управления. Операторский персонал центральной диспетчерской имеет возможность в произвольный момент времени изменить уставки или взять на себя управление отдельными контурами в режиме дистанционного управления.
Система управления котлоагрегатом должна выполнять следующие функции.
Автоматическое регулирование процесса горения обеспечивает подачу топлива в топку в зависимости от нагрузки котла, поддержание оптимального соотношения топливо-воздух и устойчивого разрежения в топке.
Температура воды за котлом (или до него) в заданных пределах поддерживается регулятором, изменяющим подачу топлива в топку. В качестве датчика температуры воды используется термометр сопротивления, устанавливаемый на трубопроводе при выходе воды из котла (на входе воды в котел).
Регулирование подачи воздуха обеспечивает оптимальное соотношение между подаваемыми в топку топливом и воздухом (оптимальный избыток воздуха), чем достигается максимальная экономичность сжигания топлива на всех режимах работы котла. Регулятор “топливо-воздух” получает импульс по расходу газа к котлу, который непосредственно измеряется расходомером, и импульс по перепаду давления воздуха, который пропорционален расходу воздуха. Регулятор воздействует на направляющий аппарат дутьевого вентилятора.
Регулирование расхода воды через котел производится регулятором, управляющим регулирующим клапаном за насосом рециркуляции, установленным на линии прямая – обратная вода.
Необходимая температура воды на входе в тепловую сеть поддерживается регулятором, изменяющим расход холодной воды с помощью перепускного регулирующего клапана, установленного на перемычке. Входным сигналом регулятора служит сигнал от термометра сопротивления, установленного на трубопроводе прямой воды.
Регулирование тяги обеспечивает автоматическое поддержание устойчивого разрежения в топке котла в пределах от -20 до -30 Па. Регулятор разрежения получает импульс по разрежению в верхней части топочной камеры от дифференциального тягомера. Усилитель регулятора осуществляет управление исполнительным механизмом тяги, воздействующим на направляющий аппарат дымососа.
Давление газа перед горелкой регулируется регулятором. Перед регулирующим органом основной горелки (поворотной заслонкой) и запальником установлены два быстродействующих клапана-отсекателя, между которыми на свече безопасности имеются электромагнитные продувочные клапаны. Открытие клапанов-отсекателей перед основной горелкой производится автоматически за 45 с, а закрытие – практически мгновенно.
Контроль за наличием факелов запальника и основной горелки осуществляется запально-защитным устройством (ионизационным датчиком для факела запальника и фотодатчиком для основного факела).
При аварийных отклонениях параметров в процессе работы котла обеспечивается автоматическая защита его в случаях:
отсутствия факела запальника (в пусковой период);
погасания факела основной горелки;
падения давления первичного и вторичного воздуха перед горелкой;
повышения давления газа перед регулирующим органом и понижения давления газа перед регулирующим органом и понижения давления его перед отсечным клапаном основной горелки;
уменьшения и увеличения давления в топке котла;
снижения расхода воды через котел и ее давления за котлом;
повышения давления и температуры воды за котлом;
падения напряжения в цепях защиты и сигнализации;
открытия форсунки и повышения тока ее электропривода (при работе на жидком топливе).
Оставаясь неизменной с точки зрения принципа действия основных регуляторов, система автоматического регулирования в целом представляет собой комплекс новейших достижений и разработок в области автоматизации.
САУ котла реализована с применением микропроцессорной техники, что выделяет ряд неоспоримых преимуществ по сравнению с системами управления традиционного исполнения. Применение ЭВМ позволяет вести полный мониторинг режима работы оборудования. Вся необходимая информация о состоянии объекта, значения рабочих параметров выводится на экран компьютера. Обслуживающий персонал в любой момент времени может обратиться к базе данных, находящихся в памяти ЭВМ, и проследить насколько эффективно использовалось оборудование в любой момент времени. На основании этих данных можно назначить мероприятия, направленные на повышение эффективности использования оборудования. Такого рода информация может быть также полезной при расследовании аварийных случаев.
САУ котла являясь целостной структурой, может рассматриваться как один из модулей глобальной системы управления объектом регулирования. Цифровая связь, посредством которой осуществляется взаимодействие между отдельными модулями системы, способна передавать значительные объемы информации за доли секунд, что делает систему управления малоинерционной, быстро адаптируемой к изменению внешних параметров.
Функциональная схема подсистемы управления котлоагрегатом представлена в графической части.
Для обеспечения автоматического режима функционирования котла на газовой линии принимаются следующие исполнительные механизмы и датчики:
– клапан электромагнитный ВН4Н-0,5 (Ду = 100) – отсечной клапан;
– клапан электромагнитный с электромеханическим регулятором расхода ВН4М-0,5 (Ду = 100) – регулирующий клапан;
– клапан трубопровода безопасности ВФ3/4Н-4 (Ду = 20), расположенного между клапанами ВН4Н-0,5 и ВН4М-0,5;
– клапаны продувочных газопроводов 1, 2, 3, 4 горелок ВФ3/4Н-4 (Ду = 20);
– клапаны на линии подачи газа к 1, 2, 3, 4 горелкам ВН1/2Н-4 (Ду = 15);
– краны шаровые (входят в состав горелки) с электроприводами перед 1, 2, 3, 4 горелками;
– датчик давления газа установленный на основном газопроводе к котлу перед блоком газовым;
– датчик температуры газа;
– датчик расхода газа;
– датчик давления газа установленный между клапанами ВН4Н-0,5 и ВН4М-0,5;
– датчики давления газа на 1, 2, 3 ,4 горелках;
На всех этапах функционирования котла операции включения/выключения исполнительных механизмов контролируются по датчикам положения с учетом временных характеристик (время включения/выключения). При обнаружении факта неисполнения команды (открыть/закрыть) в установленное время котел выключается, автоматически в Протоколе Событий регистрируется аварийное сообщение с указанием несправного исполнительного механизма, включается аварийная сигнализация, агрегаты устанавливаются в исходное положение, выполняется вентиляция топки котла.
При выключенном котле исполнительные механизмы газовой линии находятся в исходном положении:
– входная газовая задвижка (с ручным приводом) – закрыта;
– клапан электромагнитный ВН4Н-0,5 (Ду = 100) – закрыт;
– клапан электромагнитный с электромеханическим регулятором расхода ВН4М-0,5 (Ду = 100);- закрыт;
– клапаны продувочных газопроводов и газопровода безопасности ВФ3/4Н-4 (Ду = 20) – открыты;
– клапаны ВН1/2Н-4 (Ду = 15) установленные на газопроводах подачи газа к запальным горелкам 1, 2, 3, 4 горелки – закрыты;
– краны шаровые установленные на газопроводах подачи газа к основным горелкам – закрыты;
При включении котла система управления проверяет исправность всех измерительных каналов (датчиков и линий связи с ними). При положительном завершении проверки система управления приступает к проверке герметичности газовой линии, иначе процесс включения котла прекращается и включается аварийная сигнализация с указанием причины аварии.
Проверка герметичности газовой линии выполняется в два этапа:
проверка вытекания газа из линии;
проверка натекания газа в линию.
Проверка вытекания газа из линии:
– закрываются клапана продувочного трубопровода и трубопровода безопасности;
– открывается входная газовая задвижка;
– открывается регулирующий клапан;
– кратковременно открывается отсечной клапан для наполнения линии газом;
– включается таймер контроля времени;
– если по истечении заданного временного интервала давление газа по датчику давления после регулирующего клапана находится в допустимых пределах – проверка прошла успешно и система управления приступает к выполнению следующего этапа проверки герметичности, иначе процесс управления прекращается с установкой исполнительных механизмов в исходное положение.
Проверка натекания газа в линию:
– открываются клапана в трубопроводах продувки и безопасности, давление в газовой линии выравнивается с атмосферным;
– закрываются клапана в трубопроводах продувки и безопасности;
– включается таймер контроля времени;
– если по истечении установленного интервала времени давление газа в линии не превышает заданной уставки – проверка прошла успешно и система управления приступает к выполнению операции вентиляции, иначе процесс включения котла прекращается с установкой исполнительных механизмов в исходное положение.
После выполнения операции проверки герметичности газовой линии выполняется операция вентиляции топки котла. После выполнения операции вентиляции выполняется операция установки требуемого давления воздуха на горелках и разрежение в топке котла (на уставках розжига).
После выполнения вентиляции топки выполняется операция продувки газовой линии:
– входная газовая задвижка открыта;
– отсечной клапан открыт;
– регулирующий клапан открыт;
– клапана продувочных газопроводов 1, 2, 3, 4 горелок и газопровода безопасности открыты;
– шаровые краны на газовых горелках закрыты;
– по истечении времени продувки закрываются клапана:
– отсечной;
– регулирующий;
– продувочные и на газопроводе безопасности.
После выполнения операции продувки газовой линии начинается операция включения запальников при закрытых клапанах продувочных газопроводов и клапана на газопроводе безопасности.
Открываются клапана установленные перед запальными горелками;
включаются запальные устройства 1, 2, 3, 4 горелок;
если в течении заданного интервала времени не появятся сигналы о наличии пламени на всех запальниках – процесс включения котла прекращается с установкой исполнительных механизмов в исходное положение;
Операция розжига горелок осуществляется после установки требуемого давления воздуха на горелках и разрежения в топке котла (на уставках розжига):
открываются шаровые краны на 1, 2, 3, 4 горелках;
открывается отсечной клапан;
с помощью регулирующего клапана устанавливается давление газа необходимое для розжига горелок;
включается таймер контроля времени;
если по истечении установленного интервала времени не появятся сигналы о наличии пламени на всех горелках – процесс включения котла прекращается с выполнением операции вентиляции топки котла и установкой исполнительных механизмов в исходное положение.
при включении горелок клапана на запальной линии закрываются;
в течении установленного интервала времени происходит процесс стабилизации малого пламени на уставках розжига (давление газа, воздуха и разрежение).
После завершения процесса стабилизации малого пламени и установки рабочего давления воздуха и разрежения в топке котла выполняется операция разогрева котла с медленным, пошаговым увеличением давления газа и воздуха на горелках.
После достижения заданной температуры теплоносителя на выходе котла (температура разогрева) включается автоматическая регулировка газа и воздуха в зависимости от нагрузки на котел.
При выключении котла все исполнительные механизмы газовой линии устанавливаются в исходное положение и включается операция вентиляции топки котла.
С момента завершения операции розжига горелок включается программная Система Безопасности котла.
Основные функции Системы Безопасности котла:
отключение подачи топлива в соответствии с требованиями п.15.6 СНиП 2-35-76 при:
– повышении давления газа перед горелкой;
– понижении давления газа перед горелкой;
– повышении давления воздуха перед горелкой;
– понижении давления воздуха перед горелкой;
– повышении разрежения в топке котла;
– понижении давления в топке котла;
– аварийном отключении дымососа;
– погасании факела горелки;
– повышении температуры воды за котлом;
– повышении давления воды на выходе из котла;
– понижении давления воды на выходе из котла;
– уменьшении расхода воды через котел;
– прекращении подачи электроэнергии;
– неисправности цепей противоаварийной защиты;
– непрерывный контроль исправности датчиков и линий связи с ними;
– непрерывная генерация тестовых сигналов для двух независимых внешних схем контроля функционирования программной Системы Безопасности;
Контроль за состоянием наиболее ответственных параметров котла программная Система Безопасности осуществляет по показаниям дублированных (разрежение в топке, температура воды за котлом) и троированных Приборов (давление газа на горелках, давление воздуха на горелках). Все датчики в системе управления используются только аналоговые, допускающие непрерывный контроль их исправности. Дискретные датчики не используются – их исправность/неисправность может быть установлена в момент их срабатывания или несрабатывания.







